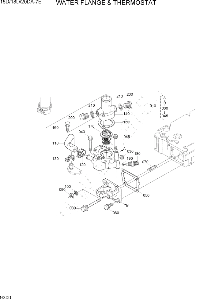
Запчасти Hyundai 15D/18D/20DA-7E PAGE 9300 WATER FLANGE & THERMOSTAT ДВИГАТЕЛЬ БАЗА

Схема запчастей Hyundai 15D/18D/20DA-7E - PAGE 9300 WATER FLANGE & THERMOSTAT ДВИГАТЕЛЬ БАЗА
FIT
1:1
100%

Артикул

Название

Примечание

Количество

10

XJBR-00171

WATER FLANGE COMP

1шт.

30

XJBT-00354

PLUG

1шт.

40

XJBT-00355

BOLT-FLANGE

2шт.

45

XJBT-00352

BOLT-FLANGE

1шт.

50

XJBT-00356

GASKET-WATER FLANGE

1шт.

60

XJBT-00785

BOLT

2шт.

70

XJBT-00202

STUD

1шт.

80

XJBR-00155

BOLT

1шт.

90

XJBT-00033

NUT

1шт.

100

XJBT-00034

WASHER-SPRING

1шт.

110

XJBT-00359

PIPE-WATER RETURN

1шт.

120

XJBR-00778

CLAMP-HOSE

1шт.

130

XJBT-00360

CLAMP-HOSE

1шт.

140

XJBR-00767

COVER-THERMOSTAT

1шт.

150

XJBR-00157

GASKET-THERMOSTAT

1шт.

160

XJBT-00052

BOLT

2шт.

170

XJBT-00363

THERMOSTAT ASSY

1шт.

180

XJBR-00739

SENSOR-THERMO

1шт.

190

XJBR-00654

O-RING

1шт.

200

XJBT-00652

PLUG

2шт.

210

XJBR-00738

GASKET

2шт.

Выбрано товаров: 21