Запчасти Hyundai 15D/18D/20DA-7E PAGE 3060 STEERING HYDRAULIC PIPING ГИДРАВЛИЧЕСКАЯ СИСТЕМА

Схема запчастей Hyundai 15D/18D/20DA-7E - PAGE 3060 STEERING HYDRAULIC PIPING ГИДРАВЛИЧЕСКАЯ СИСТЕМА
FIT
1:1
100%

Артикул

Название

Примечание

Количество

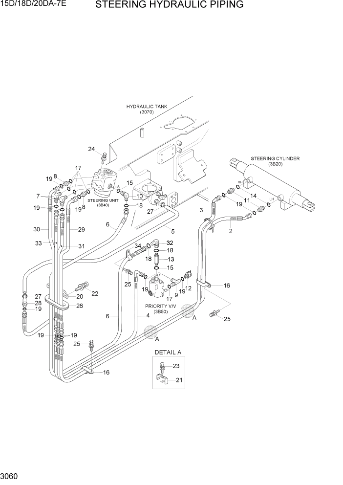
2

31HC-10012

HOSE ASSY(0X45)-ORFS

1шт.

3

31HC-10022

HOSE ASSY(0X45)-ORFS

1шт.

4

P930-064019

HOSE ASSY-ORFS 0X90

1шт.

5

P760-013090

HOSE-RUBBER

1шт.

6

31HA-10211

HOSE ASSY-ORFS 0X45

1шт.

7

31HA-10060

ELBOW-90

2шт.

8

31HA-10100

CONNECTOR

2шт.

9

31HF-10032

TEE-WITH GAUGE PORT

1шт.

10

31FG-10020

ELBOW-90

1шт.

11

31FN-10050

CONNECTOR-LONG

2шт.

12

31HF-20090

COUPLING-SCREW

1шт.

13

31HH-10040

CONNECTOR-ORFS

1шт.

14

S611-012001

O-RING

3шт.

15

S611-009001

O-RING

1шт.

16

31HA-10160

CLAMP-HOSE

2шт.

17

S611-016001

O-RING

5шт.

18

S621-011001

O-RING

3шт.

19

S621-012001

O-RING

10шт.

20

31HA-10090

CLAMP-HOSE

1шт.

21

31HH-10020

CLAMP-HOSE

2шт.

22

S035-082526

BOLT-W/WASHER

2шт.

23

S035-084026

BOLT-W/WASHER

2шт.

24

S037-102516

BOLT-W/WASHER

4шт.

25

S035-082036

BOLT-W/WASHER

3шт.

26

S760-030622

GROMMET

1шт.

27

S520-017000

CLAMP-HOSE

2шт.

28

31HA-10150

CONNECTOR-BULK HOSE

2шт.

29

P930-064012

HOSE ASSY-ORFS 0X90

1шт.

30

31HA-10230

HOSE ASSY-ORFS 0X90D

1шт.

31

P910-065013

HOSE ASSY-ORFS 0X0

1шт.

32

31HG-70020

ELBOW-90/SL,ORFS

1шт.

33

31HC-10030

HOSE ASSY-ORFS 0X0

1шт.

34

S543-160002

CLAMP-TUBE

1шт.

35

31HA-10271

ROD

15D #0016

1шт.

35

31HA-10271

ROD

18D #0011

1шт.

35

31HA-10271

ROD

20DA #0015

1шт.

36

S017-100356

BOLT-HEX

15D #0016

1шт.

36

S017-100356

BOLT-HEX

18D #0011

1шт.

36

S017-100356

BOLT-HEX

20DA #0015

1шт.

37

S403-10200B

WASHER-PLAIN

15D #0016

1шт.

37

S403-10200B

WASHER-PLAIN

18D #0011

1шт.

37

S403-10200B

WASHER-PLAIN

20DA #0015

1шт.

38

S411-100006

WASHER-SPRING

15D #0016

1шт.

38

S411-100006

WASHER-SPRING

18D #0011

1шт.

38

S411-100006

WASHER-SPRING

20DA #0015

1шт.

Выбрано товаров: 45