Запчасти Hyundai 20/25/30/33D-7 PAGE 9010 CRANKCASE ДВИГАТЕЛЬ БАЗА

Схема запчастей Hyundai 20/25/30/33D-7 - PAGE 9010 CRANKCASE ДВИГАТЕЛЬ БАЗА
FIT
1:1
100%

Артикул

Название

Примечание

Количество

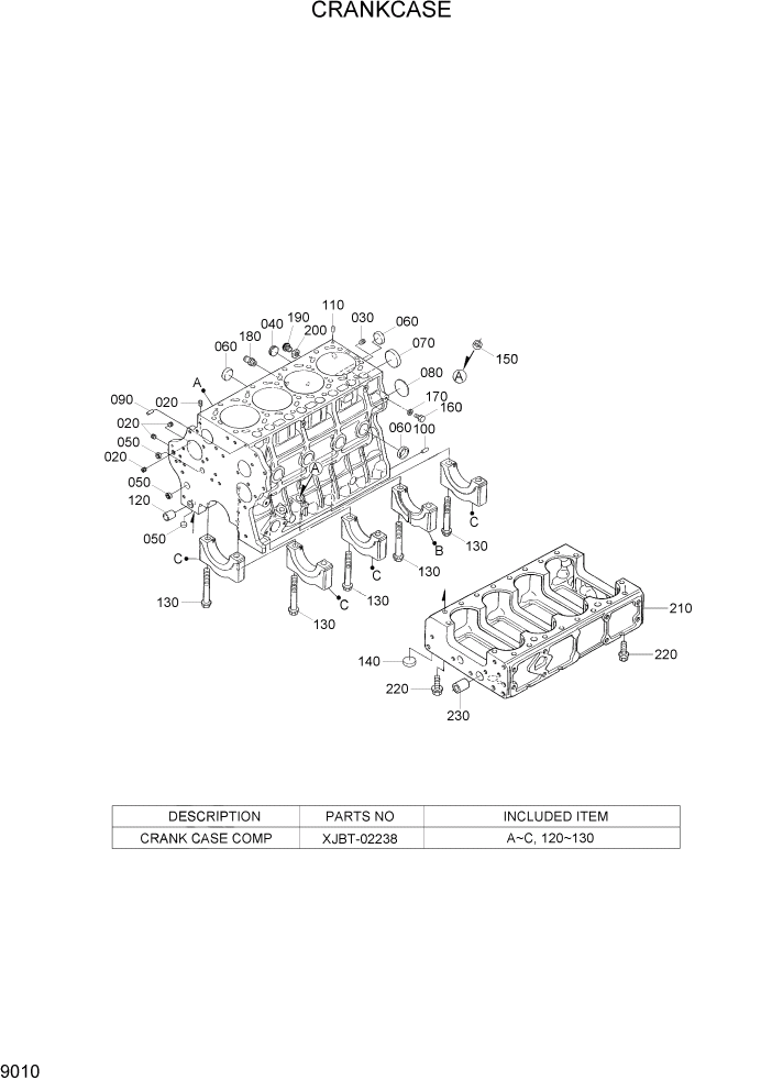
10

XJBT-02238

COMP CRANKCASE

1шт.

20

XJBT-01076

PLUG

4шт.

30

XJBT-01986

PLUG

1шт.

40

XJBT-01570

PLUG

1шт.

50

XJBT-00969

CAP-SEALING

4шт.

60

XJBT-00927

CAP-SEALING

9шт.

70

XJBT-00928

CAP-SEALING

1шт.

80

XJBT-01988

PLUG-EXPANSION

1шт.

90

XJBT-00648

PIN-STRAIGHT

1шт.

100

XJBT-00649

PIN-STRAIGHT

4шт.

110

XJBT-00944

PIN-PIPE

2шт.

120

XJBT-01887

PIN-GEAR CASE

1шт.

130

XJBT-01840

BOLT-BEARING CASE

10шт.

140

XJBT-00927

CAP-SEALING

1шт.

150

XJBT-00969

CAP-SEALING

1шт.

160

XJBT-00943

PLUG

1шт.

170

XJBT-00911

GASKET

1шт.

180

XJBT-01899

JOINT-WATER PIPE

1шт.

190

XJBT-00652

PLUG

1шт.

200

XJBT-00653

GASKET

1шт.

210

XJBT-02239

CRANKCASE

1шт.

220

XJBT-00655

BOLT-FLANGE

16шт.

230

XJBT-01888

PIN-GEAR CASE

1шт.

Выбрано товаров: 0