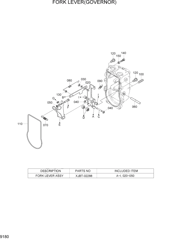
Запчасти Hyundai 20/25/30/33D-7 PAGE 9180 FORK LEVER(GOVERNOR) ДВИГАТЕЛЬ БАЗА

Схема запчастей Hyundai 20/25/30/33D-7 - PAGE 9180 FORK LEVER(GOVERNOR) ДВИГАТЕЛЬ БАЗА
FIT
1:1
100%

Артикул

Название

Примечание

Количество

10

XJBT-02288

FORK LEVER ASSY

1шт.

20

XJBT-00477

WASHER-PLAIN

1шт.

30

XJBT-00478

CIRCLIP-EXTERNAL

1шт.

40

XJBT-00479

CIRCLIP-EXTERNAL

2шт.

50

XJBT-00480

CIRCLIP-EXTERNAL

1шт.

60

XJBT-02289

SHAFT-FORK LEVER

1шт.

70

XJBT-02290

SPRING-GOVERNOR

1шт.

80

XJBT-02291

SPRING-START

1шт.

90

XJBT-01938

SPRING-STOP LEVER

1шт.

100

XJBT-00485

STUD

2шт.

110

XJBT-01928

GASKET-GOV HOUSING

1шт.

120

XJBT-00487

BOLT-FLANGE

5шт.

130

XJBT-01983

NUT-LOCK

1шт.

140

XJBT-00916

STOPPER

1шт.

150

XJBT-00066

NUT

1шт.

Выбрано товаров: 0