Запчасти Hyundai 20/25/30/33D-7E PAGE 9140 GOVERNOR ДВИГАТЕЛЬ БАЗА

Схема запчастей Hyundai 20/25/30/33D-7E - PAGE 9140 GOVERNOR ДВИГАТЕЛЬ БАЗА
FIT
1:1
100%

Артикул

Название

Примечание

Количество

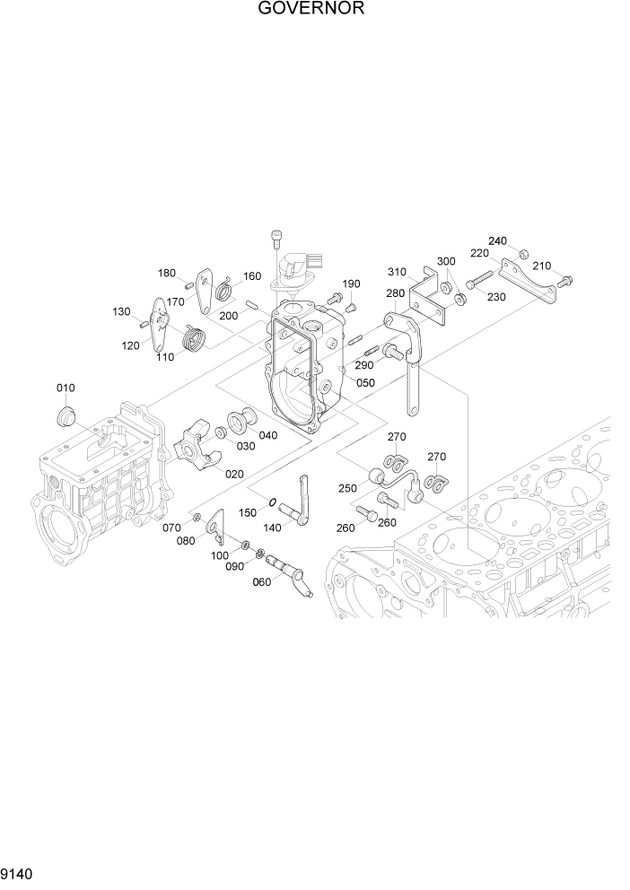
10

XJBT-01934

COVER-GOVERNOR ROD

1шт.

20

XJBT-02021

WEIGHT ASSY-GOVERNOR

1шт.

30

XJBT-00409

NUT-FLANGE

1шт.

40

XJBT-02267

SLEEVE-GOVERNOR

1шт.

50

XJBT-02268

HOUSING-GOVERNOR

1шт.

60

XJBT-02269

LEVER-GOVERNOR

1шт.

70

XJBT-01031

SEAL-OIL

1шт.

80

XJBT-02270

LEVER-STOP

1шт.

90

XJBT-00415

CIRCLIP-EXTERNAL

1шт.

100

XJBT-00938

WASHER-R/ARM SHAFT

1шт.

110

XJBT-01935

SPRING

1шт.

120

XJBT-02192

LEVER-SPEED CONTROL

1шт.

130

XJBT-00420

PIN-SPRING

1шт.

140

XJBT-01937

LEVER ASSY-ENG STOP

1шт.

150

XJBT-00413

O-RING

1шт.

160

XJBT-01030

SPRING-RETURN

1шт.

170

XJBT-01936

LEVER-ENGINE STOP

1шт.

180

XJBT-00420

PIN-SPRING

1шт.

190

XJBT-00954

PIN-START SPRING

1шт.

200

XJBT-00425

PIN-STRAIGHT

1шт.

210

XJBT-02274

BOLT-FLANGE

2шт.

220

XJBR-00332

STAY

1шт.

230

XJBR-00333

BOLT

1шт.

240

XJBT-00066

NUT

1шт.

250

XJBR-00335

COMP-PIPE IP OIL

1шт.

260

XJBT-00622

BOLT-EYE JOINT

2шт.

270

XJBR-00337

GASKET

2шт.

280

XJBR-00338

BRACKET-PUMP

1шт.

290

XJBT-00810

BOLT-FLANGE

2шт.

300

XJBT-00203

NUT-FLANGE

2шт.

310

XJBR-00340

BRACKET-ACCEL WIRE

1шт.

Выбрано товаров: 31