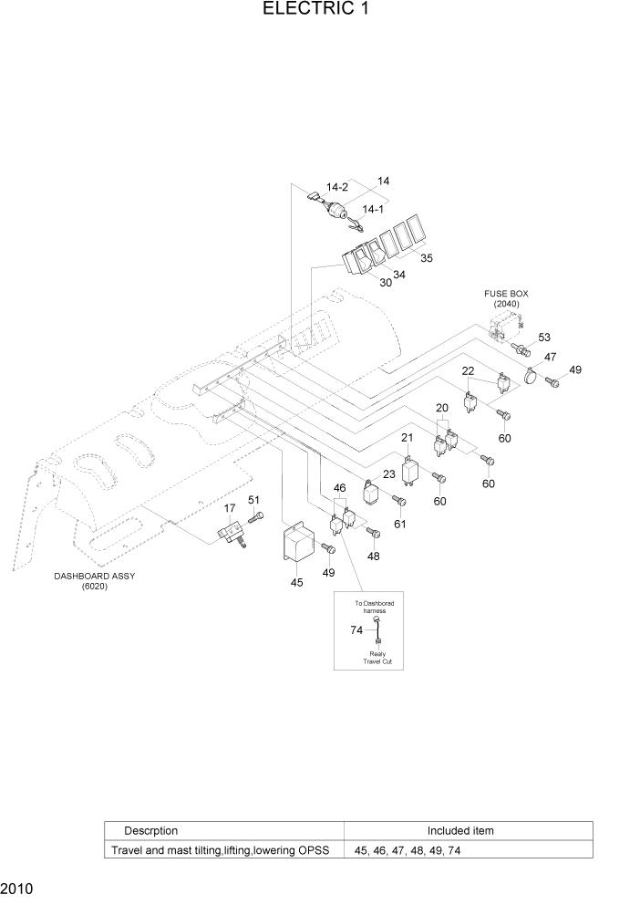
Запчасти Hyundai 20/25/30/33D-7E PAGE 2010 ELECTRIC 1 ЭЛЕКТРИЧЕСКАЯ СИСТЕМА

Схема запчастей Hyundai 20/25/30/33D-7E - PAGE 2010 ELECTRIC 1 ЭЛЕКТРИЧЕСКАЯ СИСТЕМА
FIT
1:1
100%

Артикул

Название

Примечание

Количество

14

21FJ-10051

SWITCH-START

1шт.

14-1

21FJ-10151

KEY ASSY

2шт.

14-2

21FJ-10060

HARNESS-START SW

1шт.

17

21FV-10250

PARKING SWITCH ASSY

1шт.

20

21E3-0011

RELAY

2шт.

21

21M6-40052

FLASHER UNIT ASSY

1шт.

22

21S7-00110

RELAY-POWER

2шт.

23

21HA-10320

GLOW CONTROLLER

1шт.

30

21M8-01120

SWITCH-W/LAMP(12V)

OPT

1шт.

34

21M5-25000

SWITCH-HAZARD

1шт.

35

21E6-10460

COVER

3шт.

45

21FU-10612

OPSS UNIT

SEE ILLUST

1шт.

46

21E3-0025

RELAY

SEE ILLUST

2шт.

47

320008040

WARNING BUZZER

SEE ILLUST

1шт.

48

S131-051546

SCREW-W/WASHER

SEE ILLUST

2шт.

49

S131-052546

SCREW-W/WASHER

SEE ILLUST

3шт.

51

S015-040256

BOLT-HEX

2шт.

53

S035-061526

BOLT-W/WASHER

2шт.

60

S131-051546

SCREW-W/WASHER

5шт.

61

S131-052546

SCREW-W/WASHER

1шт.

74

21HF-40070

EXT.TRAVEL-RELAY

SEE ILLUST

1шт.

Выбрано товаров: 21