Запчасти Hyundai 20/25/30/33D-7E PAGE 3A15 HYDRAULIC PUMP(NON BOOSTER) ГИДРАВЛИЧЕСКАЯ СИСТЕМА

Схема запчастей Hyundai 20/25/30/33D-7E - PAGE 3A15 HYDRAULIC PUMP(NON BOOSTER) ГИДРАВЛИЧЕСКАЯ СИСТЕМА
FIT
1:1
100%

Артикул

Название

Примечание

Количество

*

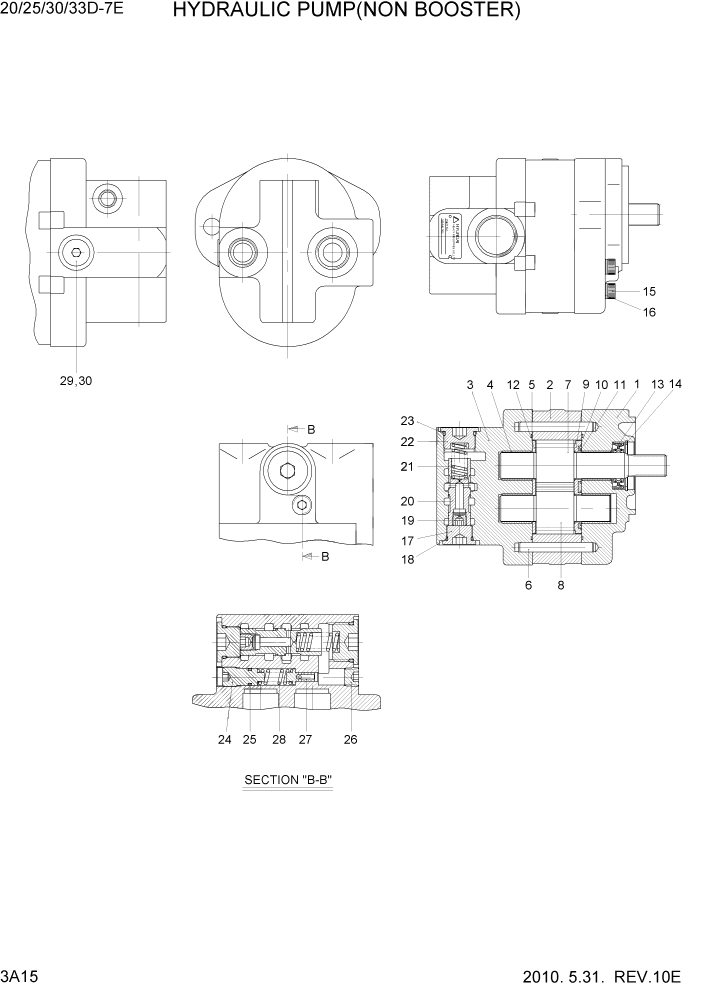
31HA-01010

GEAR PUMP(WITH P/VALVE)

20D-7E #0090

1шт.

*

31HA-01010

GEAR PUMP(WITH P/VALVE)

25D-7E #0384

1шт.

N1

XKAU-00186

HOUSING

NOT

1шт.

*

31HA-01010

GEAR PUMP(WITH P/VALVE)

30D-7E #0626

1шт.

*

31HA-01010

GEAR PUMP(WITH P/VALVE)

33D-7E #0154

1шт.

N1

XKAU-00186

HOUSING

NOT

1шт.

2

XKAU-00187

BODY

1шт.

3

XKAU-00206

PRIORITY V/V BODY

1шт.

N4

XKAU-00189

BUSHING

NOT

4шт.

5

XKAU-00010

O-RING

2шт.

6

XKAU-00190

PIN

2шт.

N7

XKAU-00191

DRIVE GEAR

NOT

1шт.

N8

XKAU-00192

IDLE GEAR

NOT

1шт.

9

XKAU-00193

SIDE PLATE

1шт.

10

XKAU-00194

O-RING

1шт.

11

XKAU-00195

BACK-UP RING

1шт.

12

XKAU-00196

SIDE PLATE

1шт.

13

XKAU-00197

OIL SEAL

1шт.

14

XKAU-00198

SNAP RING

1шт.

15

XKAU-00199

BOLT

8шт.

16

XKAU-00200

WASHER

8шт.

17

XKAU-00207

PLUG

1шт.

18

XKAU-00071

O-RING

1шт.

19

XKAU-00208

ORIFICE PLUG

1шт.

20

XKAU-00209

SPOOL

1шт.

21

XKAU-00210

SPRING

1шт.

22

XKAU-00211

PLUG

1шт.

23

XKAU-00097

O-RING

1шт.

24

XKAU-00213

ADJUST SCREW

1шт.

25

XKAU-00214

O-RING

1шт.

26

XKAU-00215

BOLT PLUG

1шт.

27

XKAU-00216

POPPET

1шт.

28

XKAU-00217

SPRING RELIEF

1шт.

29

XKAU-00218

PLUG

1шт.

30

XKAU-00219

O-RING

1шт.

Выбрано товаров: 35