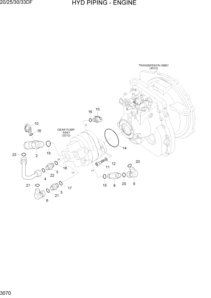
Запчасти Hyundai 20/25/30/33DF PAGE 3070 HYD PIPING-ENGINE ГИДРАВЛИЧЕСКАЯ СИСТЕМА

Схема запчастей Hyundai 20/25/30/33DF - PAGE 3070 HYD PIPING-ENGINE ГИДРАВЛИЧЕСКАЯ СИСТЕМА
FIT
1:1
100%

Артикул

Название

Примечание

Количество

2

35HF-20140

CONNECTOR

1шт.

3

31HA-20061

CONNECTOR

1шт.

4

31HN-20021

TUBE ASSY

1шт.

5

31FN-10070

CONNECTOR-ORFS

1шт.

6

X850-525200

ELBOW-90,SWIVEL,ORFS

1шт.

8

31HH-10040

CONNECTOR-ORFS

1шт.

9

31HG-70020

ELBOW-90/SL,ORFS

1шт.

10

31HF-20090

COUPLING-SCREW

2шт.

11

S109-100306

BOLT-SOCKET

2шт.

12

S411-100006

WASHER-SPRING

2шт.

14

S632-085004

O-RING

1шт.

15

S611-009001

O-RING

1шт.

16

S611-012001

O-RING

2шт.

17

S611-016001

O-RING

1шт.

18

S611-019001

O-RING

1шт.

19

S611-030001

O-RING

1шт.

20

S621-011001

O-RING

2шт.

21

S621-012001

O-RING

2шт.

22

S621-016001

O-RING

2шт.

Выбрано товаров: 19