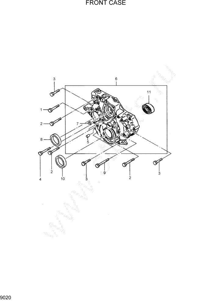
Запчасти Hyundai 35/40/45D-7 PAGE 9020 FRONT CASE ДВИГАТЕЛЬ БАЗА (- # 1000)

Схема запчастей Hyundai 35/40/45D-7 - PAGE 9020 FRONT CASE ДВИГАТЕЛЬ БАЗА (- # 1000)
FIT
1:1
100%

Артикул

Название

Примечание

Количество

1

11403-08751

BOLT-FLANGE

3шт.

2

11403-08801

BOLT

7шт.

3

11403-08601

BOLT

6шт.

4

11403-08851

BOLT

1шт.

6

21310-45G00

CASE ASSY-TIMG GEAR

1шт.

5

14303-1224

PIN-DOWEL

1шт.

7

21314-45

CAP-SEALING

1шт.

11

24721-41

BEARING-BALL

1шт.

8

21322-45001

SLINGER-RR OIL SEAL

1шт.

9

21326-45

BOLT

2шт.

10

21321-45001

SEAL-OIL TIMG GEAR CASE

1шт.

Выбрано товаров: 11