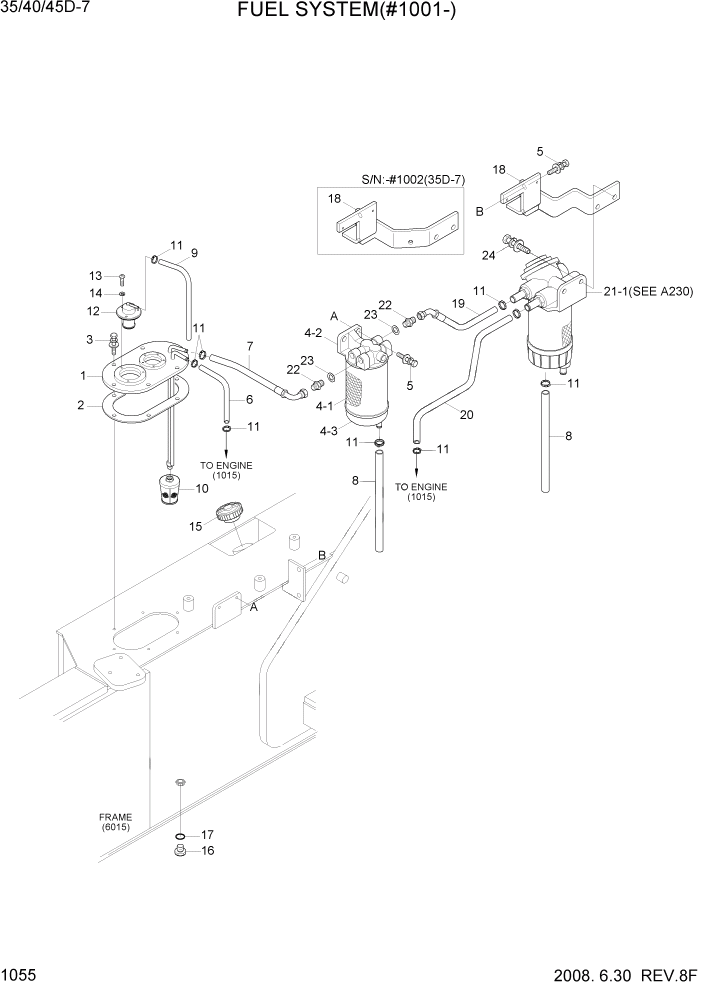
Запчасти Hyundai 35/40/45D-7 PAGE 1055 FUEL SYSTEM(#1001-) СИСТЕМА ДВИГАТЕЛЯ

Схема запчастей Hyundai 35/40/45D-7 - PAGE 1055 FUEL SYSTEM(#1001-) СИСТЕМА ДВИГАТЕЛЯ
FIT
1:1
100%

Артикул

Название

Примечание

Количество

*

@

FUEL SYSTEM

NOT #1001

1шт.

1

11FV-50011

COVER-FUEL

35D #1196

1шт.

1

11FV-50012

COVER-FUEL

35D #1197

1шт.

1

11FV-50011

COVER-FUEL

40D #1036

1шт.

1

11FV-50012

COVER-FUEL

40D #1037

1шт.

1

11FV-50011

COVER-FUEL

45D #1339

1шт.

1

11FV-50012

COVER-FUEL

45D #1340

1шт.

2

11FV-50020

GASKET

1шт.

3

S035-082026

BOLT-W/WASHER

6шт.

4

11FV-50030

FUEL FILTER ASSY

1шт.

4-1

11LB-20310

ELEMENT ASSY-F/FILTER

1шт.

4-2

11FV-50070

HEAD-FUEL FILTER ASSY

1шт.

4-3

11LD-20260

BOWL ASSY-W/KNOB

1шт.

5

S035-082526

BOLT-W/WASHER

4шт.

6

11F8-00051

HOSE-FUEL

1шт.

7

17FV-50020

HOSE ASSY

1шт.

8

11N1-50060

HOSE-DRAIN

2шт.

9

11FA-52050

HOSE-FUEL

1шт.

10

11FA-50900

STRAINER

1шт.

11

S520-015000

CLAMP-HOSE

9шт.

12

11FA-50300

FUEL CUT VALVE

1шт.

13

S151-050156

SCREW-TAPPING

35D #1196

3шт.

13

S151-050106

SCREW-TAPPING

35D #1197

3шт.

13

S151-050156

SCREW-TAPPING

40D #1036

3шт.

13

S151-050106

SCREW-TAPPING

40D #1037

3шт.

13

S151-050156

SCREW-TAPPING

45D #1339

3шт.

13

S151-050106

SCREW-TAPPING

45D #1340

3шт.

14

S411-050006

WASHER-SPRING

3шт.

15

11S2-00180

CAP-FILLER

1шт.

16

31FA-30430

PLUG-MAGNETIC

1шт.

17

S631-014004

O-RING

1шт.

18

17FV-50012

BRACKET

35D #1002

1шт.

18

17FV-50013

BRACKET

35D #1003

1шт.

18

17FV-50013

BRACKET

40/45D #1001

1шт.

19

17FV-50030

HOSE ASSY

1шт.

20

17FV-50041

HOSE-FUEL

1шт.

21

17FV-00030

FUEL FILTER ASSY

SEE A230

1шт.

22

11FQ-50050

CONNECTOR

2шт.

23

P392-160000

WASHER-COPPER

2шт.

24

S037-123026

BOLT-W/WASHER

2шт.

Выбрано товаров: 40