Запчасти Hyundai 35DE/40DE/45DE-7/50D-7AE PAGE 1050 FUEL SYSTEM СИСТЕМА ДВИГАТЕЛЯ

Схема запчастей Hyundai 35DE/40DE/45DE-7/50D-7AE - PAGE 1050 FUEL SYSTEM СИСТЕМА ДВИГАТЕЛЯ
FIT
1:1
100%

Артикул

Название

Примечание

Количество

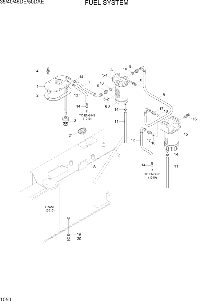
1

11FV-56011

COVER-FUEL TANK

1шт.

2

11FV-55020

GASKET

1шт.

3

11FA-50900

STRAINER

1шт.

4

S035-082026

BOLT-W/WASHER

6шт.

5

11FV-50030

FUEL FILTER ASSY

1шт.

5-1

11LB-20310

ELEMENT ASSY-F/FILTER

1шт.

5-2

11FV-50070

HEAD-FUEL FILTER ASSY

1шт.

5-3

11LD-20260

BOWL ASSY-W/KNOB

1шт.

6

S035-082526

BOLT-W/WASHER

2шт.

7

17FV-50020

HOSE ASSY

1шт.

8

11FV-56030

HOSE ASSY

1шт.

9

11FQ-50050

CONNECTOR

2шт.

10

P392-160000

WASHER-COPPER

2шт.

11

11N1-50060

HOSE-DRAIN

2шт.

12

11FV-56040

HOSE ASSY

1шт.

13

11FA-50801

HOSE-FUEL

1шт.

14

S520-017000

CLAMP-HOSE

6шт.

15

17FV-00030

FUEL FILTER ASSY-W/WS

SEE 9230

1шт.

16

S037-123026

BOLT-W/WASHER

2шт.

17

11FV-56070

CONNECTOR

2шт.

18

S631-011001

O-RING

2шт.

19

S631-014004

O-RING

1шт.

20

31FA-30430

PLUG-MAGNETIC

1шт.

21

11HA-50030

FUEL TANK CAP

1шт.

Выбрано товаров: 24