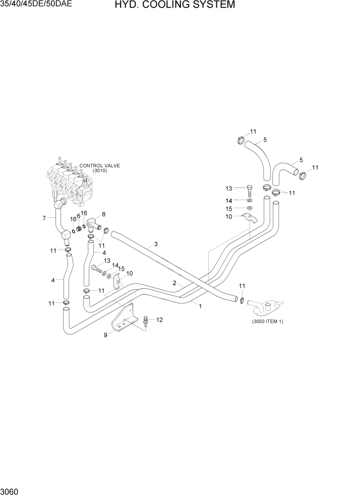
Запчасти Hyundai 35DE/40DE/45DE-7/50D-7AE PAGE 3060 HYD.COOLING SYSTEM ГИДРАВЛИЧЕСКАЯ СИСТЕМА

Схема запчастей Hyundai 35DE/40DE/45DE-7/50D-7AE - PAGE 3060 HYD.COOLING SYSTEM ГИДРАВЛИЧЕСКАЯ СИСТЕМА
FIT
1:1
100%

Артикул

Название

Примечание

Количество

1

31FV-30120

PIPE

1шт.

2

31FV-30130

PIPE

1шт.

3

31FV-25080

HOSE-RETURN

1шт.

4

31FV-20440

HOSE-RETURN

2шт.

5

31FQ-20070

HOSE-RUBBER LOW

#0041

2шт.

5

31HE-20030

HOSE-SUCTION

35DE #0042

2шт.

5

31FQ-20070

HOSE-RUBBER LOW

#0016

2шт.

5

31HE-20030

HOSE-SUCTION

40DE #0017

2шт.

5

31FQ-20070

HOSE-RUBBER LOW

#0088

2шт.

5

31HE-20030

HOSE-SUCTION

45DE #0089

2шт.

5

31HE-20030

HOSE-SUCTION

50DAE

2шт.

6

31FV-30080

CHECK VALVE-RETURN

1шт.

7

31FV-25100

ELBOW-90D,SWIVEL

1шт.

8

31FV-30180

TEE

1шт.

9

31FV-30110

PLATE-PIPE

1шт.

10

S582-340340

CLAMP-PIPE

3шт.

11

S572-460006

CLAMP-HOSE,WIRE TYPE

20шт.

12

S037-102516

BOLT-W/WASHER

2шт.

13

S017-100606

BOLT-HEX

3шт.

14

S411-100006

WASHER-SPRING

3шт.

15

S403-10100B

WASHER-PLAIN

3шт.

16

S611-030001

O-RING

2шт.

Выбрано товаров: 22