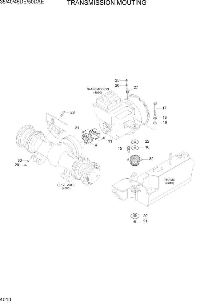
Запчасти Hyundai 35DE/40DE/45DE-7/50D-7AE PAGE 4010 TRANSMISSION MOUNTING СИЛОВАЯ СИСТЕМА

Схема запчастей Hyundai 35DE/40DE/45DE-7/50D-7AE - PAGE 4010 TRANSMISSION MOUNTING СИЛОВАЯ СИСТЕМА
FIT
1:1
100%

Артикул

Название

Примечание

Количество

4

81FV-32030

DRIVE SHAFT

1шт.

15

S035-082526

BOLT-W/WASHER

8шт.

16

FDE0100120-DA

WASHER-REBOUND

2шт.

17

S017-16130D

BOLT-HEX

2шт.

18

S411-160006

WASHER-SPRING

2шт.

19

S403-161006

WASHER-PLAIN

2шт.

20

FDE0100110-DA

WASHER-OVERLOAD

2шт.

21

FBC0100300-DA

U-NUT

2шт.

22

F31330010

SHIM(1.0T)

4шт.

25

S109-060156

BOLT-SOCKET

1шт.

26

S411-060006

WASHER-SPRING

1шт.

27

17FV-00020

SENSOR-CRANK POSITION

1шт.

28

S018-241506

BOLT-HEX

4шт.

29

S206-241006

NUT-HEX

8шт.

30

S441-240006

WASHER-HARDENED

8шт.

31

S088-060286

BOLT-HEX,UNIFIED

8шт.

32

F12200170

RUBBER-MOUNTING

2шт.

Выбрано товаров: 17