Запчасти Hyundai 35/40/45DS-7 PAGE 1050 FUEL SYSTEM СИСТЕМА ДВИГАТЕЛЯ

Схема запчастей Hyundai 35/40/45DS-7 - PAGE 1050 FUEL SYSTEM СИСТЕМА ДВИГАТЕЛЯ
FIT
1:1
100%

Артикул

Название

Примечание

Количество

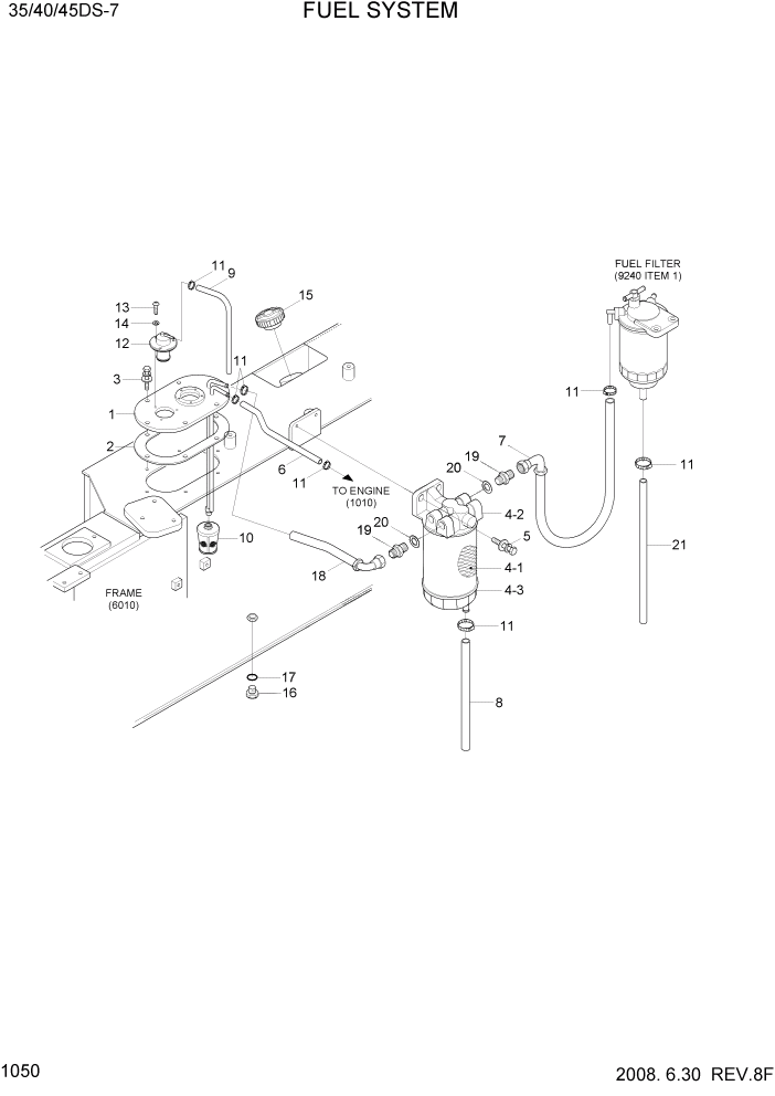
1

11FV-50011

COVER-FUEL

35DS #0083

1шт.

1

11FV-50012

COVER-FUEL

35DS #0084

1шт.

1

11FV-50011

COVER-FUEL

40DS #0028

1шт.

1

11FV-50012

COVER-FUEL

40DS #0029

1шт.

1

11FV-50011

COVER-FUEL

45DS #0570

1шт.

1

11FV-50012

COVER-FUEL

45DS #0571

1шт.

2

11FV-50020

GASKET

1шт.

3

S035-082022

BOLT-W/WASHER

6шт.

4

11FV-50030

FUEL FILTER ASSY

ILLUST CHANGE #0001

1шт.

4-1

11LB-20310

ELEMENT ASSY-F/FILTER

1шт.

4-2

11FV-50070

HEAD-FUEL FILTER ASSY

1шт.

4-3

11LD-20260

BOWL ASSY-W/KNOB

1шт.

5

S035-082522

BOLT-W/WASHER

2шт.

6

11F6-00200

HOSE-FUEL

2шт.

7

11FV-50040

HOSE ASSY

1шт.

8

11N1-50060

HOSE-DRAIN

1шт.

9

11FA-52050

HOSE-FUEL

1шт.

10

11FA-50900

STRAINER

1шт.

11

S520-015000

CLAMP-HOSE

7шт.

12

11FA-50300

FUEL CUT VALVE

1шт.

13

S161-050152

SCREW

35DS #0083

3шт.

13

S161-050106

SCREW-CROSS RECESS RD

35DS #0084

3шт.

13

S161-050152

SCREW

40DS #0028

3шт.

13

S161-050106

SCREW-CROSS RECESS RD

40DS #0029

3шт.

13

S161-050152

SCREW

45DS #0570

3шт.

13

S161-050106

SCREW-CROSS RECESS RD

45DS #0571

3шт.

14

S411-050002

WASHER-SPRING

3шт.

15

11S2-00180

CAP-FILLER

1шт.

16

31FA-30430

PLUG-MAGNETIC

1шт.

17

S631-014004

O-RING

1шт.

18

11FV-50050

HOSE ASSY

1шт.

19

11FQ-50050

CONNECTOR

2шт.

20

P392-160000

WASHER-COPPER

2шт.

21

11FA-53030

HOSE-FUEL

1шт.

Выбрано товаров: 34