Запчасти Hyundai 35/40/45DS-7 PAGE 3060 TILT HYDRAULIC PIPING ГИДРАВЛИЧЕСКАЯ СИСТЕМА

Схема запчастей Hyundai 35/40/45DS-7 - PAGE 3060 TILT HYDRAULIC PIPING ГИДРАВЛИЧЕСКАЯ СИСТЕМА
FIT
1:1
100%

Артикул

Название

Примечание

Количество

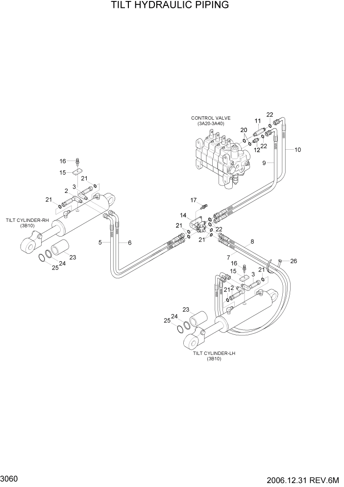
2

31FV-70070

ELBOW-90D WA FRONT

2шт.

3

31FV-70080

ELBOW-90D WA REAR

2шт.

5

P930-064013

HOSE ASSY-ORFS 0X90

3.5TON #0011

1шт.

5

31FV-70141

HOSE ASSY-ORFS 0X90

3.5TON #0012

1шт.

5

P930-064013

HOSE ASSY-ORFS 0X90

4.0TON #0001

1шт.

5

31FV-70141

HOSE ASSY-ORFS 0X90

4.0TON #0002

1шт.

5

P930-064013

HOSE ASSY-ORFS 0X90

4.5TON #0043

1шт.

5

31FV-70141

HOSE ASSY-ORFS 0X90

4.5TON #0044

1шт.

6

P930-064012

HOSE ASSY-ORFS 0X90

3.5TON #0011

1шт.

6

31FV-70151

HOSE ASSY-ORFS 0X90

3.5TON #0012

1шт.

6

P930-064012

HOSE ASSY-ORFS 0X90

4.0TON #0001

1шт.

6

31FV-70151

HOSE ASSY-ORFS 0X90

4.0TON #0002

1шт.

6

P930-064012

HOSE ASSY-ORFS 0X90

4.5TON #0043

1шт.

6

31FV-70151

HOSE ASSY-ORFS 0X90

4.5TON #0044

1шт.

7

31FV-70130

HOSE ASSY-ORFS 0X90

3.5TON #0001 - #0011

1шт.

7

31FV-70131

HOSE ASSY-ORFS 0X90

3.5TON #0012

1шт.

7

31FV-70130

HOSE ASSY-ORFS 0X90

4.0TON #0001 - #0001

1шт.

7

31FV-70131

HOSE ASSY-ORFS 0X90

4.0TON #0002

1шт.

7

31FV-70130

HOSE ASSY-ORFS 0X90

4.5TON #0001 - #0043

1шт.

7

31FV-70131

HOSE ASSY-ORFS 0X90

4.5TON #0044

1шт.

8

31FV-70120

HOSE ASSY-ORFS 0X90

3.5TON #0001 - #0011

1шт.

8

31FV-70121

HOSE ASSY-ORFS 0X90

3.5TON #0012

1шт.

8

31FV-70120

HOSE ASSY-ORFS 0X90

4.0TON #0001 - #0001

1шт.

8

31FV-70121

HOSE ASSY-ORFS 0X90

4.0TON #0002

1шт.

8

31FV-70120

HOSE ASSY-ORFS 0X90

4.5TON #0001 - #0043

1шт.

8

31FV-70121

HOSE ASSY-ORFS 0X90

4.5TON #0044

1шт.

9

P930-084010

HOSE ASSY-ORFS 0X90

1шт.

10

P930-084011

HOSE ASSY-ORFS 0X90

1шт.

11

31FV-70100

CONNECTOR

1шт.

12

31FV-70110

CONNECTOR

#0001

1шт.

14

31FV-70011

TEE BLOCK WA

1шт.

15

31S4-10861

BLOCK-TUBE

2шт.

16

S035-084522

BOLT-W/WASHER

3.5TON #0031

2шт.

16

S035-084526

BOLT-W/WASHER

3.5TON #0032

2шт.

16

S035-084522

BOLT-W/WASHER

4.0TON #0003

2шт.

16

S035-084526

BOLT-W/WASHER

4.0TON #0004

2шт.

16

S035-084522

BOLT-W/WASHER

4.5TON #0203

2шт.

16

S035-084526

BOLT-W/WASHER

4.5TON #0204

2шт.

17

S035-082022

BOLT-W/WASHER

3.5TON #0031

2шт.

17

S035-082026

BOLT-W/WASHER

3.5TON #0032

2шт.

17

S035-082022

BOLT-W/WASHER

4.0TON #0003

2шт.

17

S035-082026

BOLT-W/WASHER

4.0TON #0004

2шт.

17

S035-082022

BOLT-W/WASHER

4.5TON #0203

2шт.

17

S035-082026

BOLT-W/WASHER

4.5TON #0204

2шт.

20

S611-016001

O-RING

2шт.

21

S621-012001

O-RING,ORFS

8шт.

22

S621-014001

O-RING,ORFS

6шт.

23

31FV-70060

SPACER-TILT CYL

TF-MAST

2шт.

23

31FV-70090

SPACER-TILT CYL

VF-MAST

2шт.

24

F13620050

SHIM

4шт.

25

S631-045004

O-RING

2шт.

26

S552-050203

CLAMP-BAND

5шт.

Выбрано товаров: 52