Запчасти Hyundai 35DS/40DS/45DS/50DA-7E PAGE 5060 ACCELERATOR LINKAGE СИСТЕМА УПРАВЛЕНИЯ

Схема запчастей Hyundai 35DS/40DS/45DS/50DA-7E - PAGE 5060 ACCELERATOR LINKAGE СИСТЕМА УПРАВЛЕНИЯ
FIT
1:1
100%

Артикул

Название

Примечание

Количество

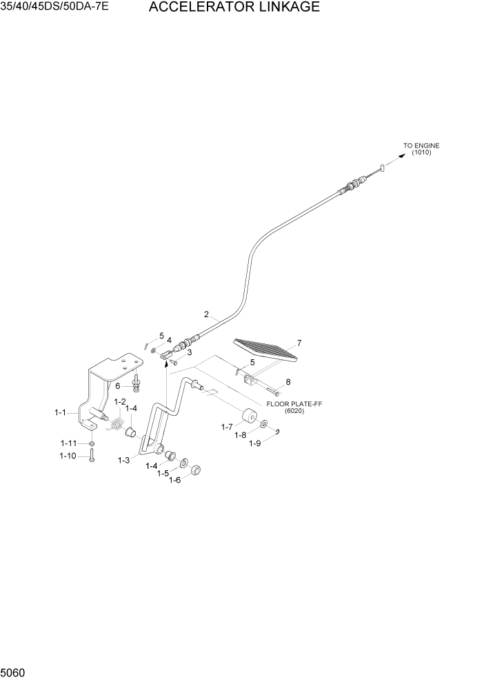
1

11FV-10012

ACCEL LINK ASSY

1шт.

1-1

11FV-10401

SUPPORT WA

1шт.

1-2

11FV-10200

SPRING-RETURN

1шт.

1-3

11FV-10302

BELL CRANK WA

1шт.

1-4

S741-151523

DU BUSINGH-FLANGE

2шт.

1-5

S411-10000V

WASHER-SPRING

1шт.

1-6

S205-10100V

NUT-HEX

1шт.

1-7

F11335020

ROLLER-ACCEL

1шт.

1-8

S403-10100V

WASHER-PLAIN

1шт.

1-9

P560-090002

RETAINING RING-E TYPE

1шт.

1-1

206508030

BOLT-HEX

1шт.

1-11

S203-08100V

NUT-HEX

1шт.

2

11FV-15022

CABLE-ACCEL

1шт.

3

S491-060182

PIN-CLEVIS

1шт.

4

S403-06200B

WASHER-PLAIN

1шт.

5

S461-160152

PIN-SPLIT

2шт.

6

S035-082026

BOLT-W/WASHER

3шт.

7

11FQ-10030

PEDAL-ACCEL

1шт.

8

11FG-10040

PIN-CLEVIS

1шт.

Выбрано товаров: 19