Запчасти Hyundai 35DS/40DS/45DS/50DA-7E PAGE 6010 FRAME СТРУКТУРА

Схема запчастей Hyundai 35DS/40DS/45DS/50DA-7E - PAGE 6010 FRAME СТРУКТУРА
FIT
1:1
100%

Артикул

Название

Примечание

Количество

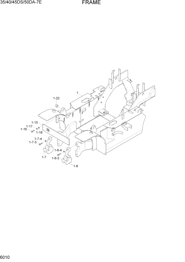
1

45FV-00010

FRAME WA

1шт.

1-6

41FV-00042

TRUNNION ASSY-LH

1шт.

1-6-3

S017-200902

BOLT-HEX

2шт.

1-6-4

S441-220002

WASHER-HARDENED

2шт.

1-7

41FV-00052

TRUNNION ASSY-RH

1шт.

1-7-3

S017-200902

BOLT-HEX

2шт.

1-7-4

S441-220002

WASHER-HARDENED

2шт.

1-15

45FV-00030

CROSSMEMBER-UPPER

1шт.

1-16

S018-140406

BOLT-HEX

6шт.

1-17

S411-140006

WASHER-SPRING

6шт.

1-18

S403-141006

WASHER-PLAIN

6шт.

1-22

41FV-00141

BUSHING-FRAME

2шт.

Выбрано товаров: 12