Запчасти Hyundai 50/60/70DE PAGE 9120 OIL COOLER ДВИГАТЕЛЬ БАЗА

Схема запчастей Hyundai 50/60/70DE - PAGE 9120 OIL COOLER ДВИГАТЕЛЬ БАЗА
FIT
1:1
100%

Артикул

Название

Примечание

Количество

*

@

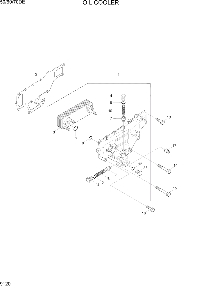
OIL COOLER

NOT

1шт.

1

26420-45007

COOLER ASSY-OIL

#0001

1шт.

2

26431-45005

GASKET-OIL COOLER

1шт.

N3

26426-45

ELEMENT-OIL COOLER

NOT

1шт.

4

26444-45

PLUG-BYPASS VALVE

2шт.

5

26482-72

O-RING

2шт.

6

26424-45

SPRING

1шт.

7

26425-45

VALVE-BYPASS

2шт.

8

26460-47281

O-RING

2шт.

9

26483-93

O-RING

2шт.

10

26428-45

SPRING

1шт.

11

21512-2101

PLUG-OIL DRAIN

1шт.

12

17512-14

GASKET

1шт.

13

11403-08251

BOLT

8шт.

14

11403-08901

BOLT

2шт.

15

21516-41

BOLT

2шт.

16

11403-08551

BOLT-FLANGE

6шт.

17

94750-455

SWITCH-OIL PRESSURE

#0001

1шт.

Выбрано товаров: 18