Запчасти Hyundai 50/60/70DE PAGE 9190 INJECTION PUMP ДВИГАТЕЛЬ БАЗА

Схема запчастей Hyundai 50/60/70DE - PAGE 9190 INJECTION PUMP ДВИГАТЕЛЬ БАЗА
FIT
1:1
100%

Артикул

Название

Примечание

Количество

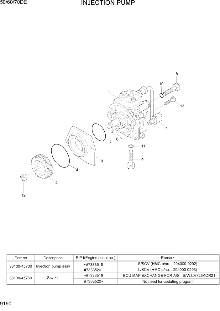
1

33100-457

INJ PUMP ASSY

SEE ILLUST

1шт.

2

33111-457

GEAR-FUEL PUMP

1шт.

3

33155-457

PLATE

1шт.

4

38623-45

O-RING

1шт.

5

33156-457

O-RING

1шт.

6

33133-457

KEY

1шт.

7

33130-4576

SCV KIT

SEE ILLUST

1шт.

8

33136-457

SCREW

1шт.

9

33137-457

SCREW

1шт.

10

33136-4571

GESKET

2шт.

11

33137-4571

GESKET

2шт.

12

33132-457

NUT

1шт.

13

11405-08351

BOLT-PLANGE

2шт.

Выбрано товаров: 13