Запчасти Hyundai 50/60/70DE PAGE 3B10 REMOTE CONTROL VALVE(2-SPOOL) ГИДРАВЛИЧЕСКАЯ СИСТЕМА

Схема запчастей Hyundai 50/60/70DE - PAGE 3B10 REMOTE CONTROL VALVE(2-SPOOL) ГИДРАВЛИЧЕСКАЯ СИСТЕМА
FIT
1:1
100%

Артикул

Название

Примечание

Количество

*

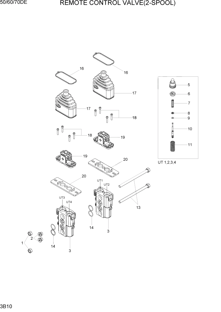
31FT-06000

RCV

1шт.

1

ZTAL-00111

NUT

2шт.

2

ZTAL-00110

PLUG

2шт.

3

ZTAL-00109

BODY

2шт.

4

ZTAL-00105

KIT 1

NOT SHOWN

1шт.

5

ZTAL-00104

PLUNGER KIT

3шт.

6

ZTAL-00103

SPRING GUIDE

4шт.

7

ZTAL-00102

METERING SPRING

4шт.

8

ZTAL-00101

SEEGER RING

4шт.

9

ZTAL-00117

SEEGER RING

4шт.

10

ZTAL-00100

DOCKING ROD

4шт.

11

ZTAL-00099

SPRING

4шт.

12

ZTAL-00123

KIT 2

NOT SHOWN

1шт.

13

ZTAL-00120

TIE ROD WITH NUT

2шт.

14

ZTAL-00107

O-RING

4шт.

15

ZTAL-00112

KIT 3

NOT SHOWN

1шт.

16

ZTAL-00118

CLAMP

2шт.

17

ZTAL-00114

RUBBER BELLOW

2шт.

18

ZTAL-00115

SCREW

8шт.

19

ZTAL-00116

SUPPORT KIT

2шт.

20

ZTAL-00119

FLANGE

2шт.

Выбрано товаров: 21