Запчасти Hyundai 50/60/70DS-7E PAGE 9230 INJECTION PUMP(PART II) ДВИГАТЕЛЬ БАЗА

Схема запчастей Hyundai 50/60/70DS-7E - PAGE 9230 INJECTION PUMP(PART II) ДВИГАТЕЛЬ БАЗА
FIT
1:1
100%

Артикул

Название

Примечание

Количество

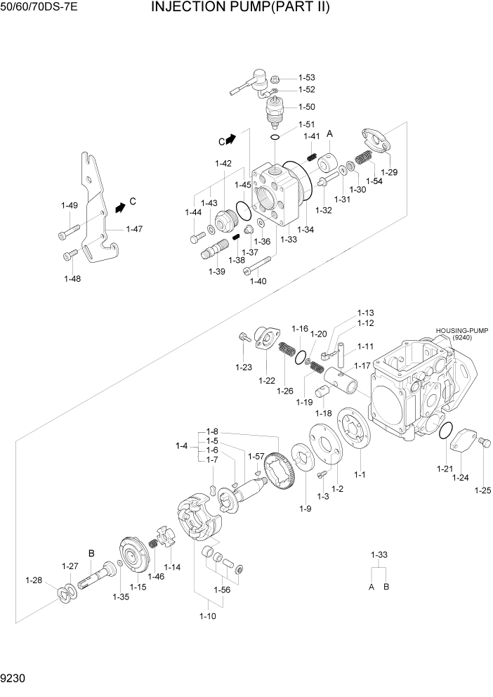
1

XJAF-02642

PUMP ASSY-INJ

1шт.

1-1

XJAF-01292

PUMP-FEED

1шт.

1-2

XJAF-01293

COVER

1шт.

1-3

XJAF-01281

SCREW

2шт.

1-4

XJAF-01300

SHAFT-DRIVE

1шт.

1-5

XJAF-01299

SHAFT-DRIVE

1шт.

1-6

XJAF-02643

KEY-WOODRUFF

1шт.

1-7

XJAF-01301

DAMPER

2шт.

1-8

XJAF-01302

GEAR

1шт.

1-9

XJAF-01303

WASHER

1шт.

1-1

XJAF-02644

ROLLER ASSY

1шт.

1-56

XJAF-01307

ROLLER KIT

1шт.

1-11

XJAF-01316

PIN

1шт.

1-12

XJAF-01317

PIN

1шт.

1-13

XJAF-01318

CLIP

1шт.

1-14

XJAF-01304

DISK

1шт.

1-15

XJAF-02645

CAM-DISK

1шт.

1-16

XJAF-01468

O-RING

1шт.

1-17

XJAF-02646

PISTON

1шт.

1-18

XJAF-01315

SLIDER

1шт.

1-19

XJAF-02647

SPRING-TIMER

ARшт.

1-19

XJAF-02648

SPRING-TIMER

ARшт.

1-19

XJAF-02649

SPRING-TIMER

ARшт.

1-2

XJAF-01499

SHIM(0.1T)

ARшт.

1-2

XJAF-01500

SHIM(0.2T)

ARшт.

1-2

XJAF-01501

SHIM(0.25T)

ARшт.

1-2

XJAF-01502

SHIM(1.0T)

ARшт.

1-2

XJAF-01503

SHIM(2.0T)

ARшт.

1-2

XJAF-01504

SHIM(0.5T)

ARшт.

1-2

XJAF-01505

SHIM(0.75T)

ARшт.

1-21

XJAF-01468

O-RING

1шт.

1-22

XJAF-01320

COVER

1шт.

1-23

XJAF-01487

BOLT

2шт.

1-24

XJAF-01319

COVER

1шт.

1-25

XJAF-01487

BOLT

2шт.

1-26

XJAF-01322

SPRING-TIMER

1шт.

1-27

XJAF-01309

SHIM

1шт.

1-28

XJAF-01310

WASHER

1шт.

1-29

XJAF-01311

SEAT-SPRING

1шт.

1-3

XJAF-01313

SEAT-SPRING

2шт.

1-31

XJAF-01479

SHIM(0.5T)

ARшт.

1-31

XJAF-01480

SHIM(0.8T)

ARшт.

1-31

XJAF-01481

SHIM(1.0T)

ARшт.

1-31

XJAF-01482

SHIM(1.2T)

ARшт.

1-31

XJAF-01483

SHIM(1.5T)

ARшт.

1-31

XJAF-01484

SHIM(1.8T)

ARшт.

1-31

XJAF-01485

SHIM(2.0T)

ARшт.

1-31

XJAF-01493

SHIM(0.9T)

ARшт.

1-31

XJAF-01494

SHIM(1.1T)

ARшт.

1-31

XJAF-01495

SHIM(1.3T)

ARшт.

1-31

XJAF-01496

SHIM(1.4T)

ARшт.

1-31

XJAF-01497

SHIM(1.6T)

ARшт.

1-31

XJAF-01498

SHIM(1.7T)

ARшт.

1-31

XJAF-01506

SHIM(2.1T)

ARшт.

1-31

XJAF-01507

SHIM(2.2T)

ARшт.

1-31

XJAF-01508

SHIM(2.3T)

ARшт.

1-31

XJAF-01509

SHIM(2.4T)

ARшт.

1-31

XJAF-01510

SHIM(2.5T)

ARшт.

1-31

XJAF-01511

SHIM(2.6T)

ARшт.

1-31

XJAF-01512

SHIM(2.7T)

ARшт.

1-31

XJAF-01513

SHIM(2.8T)

ARшт.

1-31

XJAF-01514

SHIM(2.9T)

ARшт.

1-31

XJAF-01515

SHIM(3.0T)

ARшт.

1-31

XJAF-01516

SHIM(3.1T)

ARшт.

1-31

XJAF-01517

SHIM(3.2T)

ARшт.

1-31

XJAF-01518

SHIM(3.3T)

ARшт.

1-31

XJAF-01519

SHIM(3.4T)

ARшт.

1-31

XJAF-01520

SHIM(0.4T)

ARшт.

1-31

XJAF-01521

SHIM(0.6T)

ARшт.

1-31

XJAF-01522

SHIM(0.7T)

ARшт.

1-31

XJAF-01523

SHIM(1.9T)

ARшт.

1-31

XJAF-01524

SHIM(0.2T)

ARшт.

1-32

XJAF-01314

PIN-GUIDE

2шт.

1-33

XJAF-02650

DISTRIBUTOR-HEAR

1шт.

1-34

XJAF-01461

O-RING

1шт.

1-35

XJAF-01327

SHIM(1.90T)

ARшт.

1-35

XJAF-01328

SHIM(1.92T)

ARшт.

1-35

XJAF-01329

SHIM(1.94T)

ARшт.

1-35

XJAF-01330

SHIM(1.96T)

ARшт.

1-35

XJAF-01331

SHIM(1.98T)

ARшт.

1-35

XJAF-01332

SHIM(2.00T)

ARшт.

1-35

XJAF-01333

SHIM(2.02T)

ARшт.

1-35

XJAF-01334

SHIM(2.04T)

ARшт.

1-35

XJAF-01335

SHIM(2.06T)

ARшт.

1-35

XJAF-01336

SHIM(2.08T)

ARшт.

1-35

XJAF-01337

SHIM(2.10T)

ARшт.

1-35

XJAF-01338

SHIM(2.12T)

ARшт.

1-35

XJAF-01339

SHIM(2.14T)

ARшт.

1-35

XJAF-01340

SHIM(2.16T)

ARшт.

1-35

XJAF-01341

SHIM(2.18T)

ARшт.

1-35

XJAF-01342

SHIM(2.20T)

ARшт.

1-35

XJAF-01343

SHIM(2.22T)

ARшт.

1-35

XJAF-01344

SHIM(2.24T)

ARшт.

1-35

XJAF-01345

SHIM(2.26T)

ARшт.

1-35

XJAF-01346

SHIM(2.28T)

ARшт.

1-35

XJAF-01347

SHIM(2.30T)

ARшт.

1-35

XJAF-01348

SHIM(2.32T)

ARшт.

1-35

XJAF-01349

SHIM(2.34T)

ARшт.

1-35

XJAF-01350

SHIM(2.36T)

ARшт.

1-35

XJAF-01351

SHIM(2.38T)

ARшт.

1-35

XJAF-01352

SHIM(2.40T)

ARшт.

1-35

XJAF-01353

SHIM(2.42T)

ARшт.

1-35

XJAF-01354

SHIM(2.44T)

ARшт.

1-35

XJAF-01355

SHIM(2.46T)

ARшт.

1-35

XJAF-01356

SHIM(2.48T)

ARшт.

1-35

XJAF-01357

SHIM(2.50T)

ARшт.

1-35

XJAF-01358

SHIM(2.52T)

ARшт.

1-35

XJAF-01359

SHIM(2.54T)

ARшт.

1-35

XJAF-01360

SHIM(2.56T)

ARшт.

1-35

XJAF-01361

SHIM(2.58T)

ARшт.

1-35

XJAF-01362

SHIM(2.60T)

ARшт.

1-35

XJAF-01363

SHIM(2.62T)

ARшт.

1-35

XJAF-01364

SHIM(2.64T)

ARшт.

1-35

XJAF-01365

SHIM(2.66T)

ARшт.

1-35

XJAF-01366

SHIM(2.68T)

ARшт.

1-35

XJAF-01367

SHIM(2.70T)

ARшт.

1-35

XJAF-01368

SHIM(2.72T)

ARшт.

1-35

XJAF-01369

SHIM(2.74T)

ARшт.

1-35

XJAF-01370

SHIM(2.76T)

ARшт.

1-35

XJAF-01371

SHIM(2.78T)

ARшт.

1-35

XJAF-01372

SHIM(2.80T)

ARшт.

1-35

XJAF-01373

SHIM(2.82T)

ARшт.

1-35

XJAF-01374

SHIM(2.84T)

ARшт.

1-35

XJAF-01375

SHIM(2.86T)

ARшт.

1-35

XJAF-01376

SHIM(2.88T)

ARшт.

1-35

XJAF-01377

SHIM(2.90T)

ARшт.

1-35

XJAF-01378

SHIM(1.74T)

ARшт.

1-35

XJAF-01379

SHIM(1.76T)

ARшт.

1-35

XJAF-01380

SHIM(1.78T)

ARшт.

1-35

XJAF-01381

SHIM(1.80T)

ARшт.

1-35

XJAF-01382

SHIM(1.82T)

ARшт.

1-35

XJAF-01383

SHIM(1.84T)

ARшт.

1-35

XJAF-01384

SHIM(1.86T)

ARшт.

1-35

XJAF-01385

SHIM(1.88T)

ARшт.

1-36

XJAF-01390

GASKET

6шт.

1-37

XJAF-02651

VALVE-DELIVERY

6шт.

1-38

XJAF-01389

SPRING

6шт.

1-39

XJAF-01391

HOLDER

6шт.

1-4

XJAF-01282

SCREW

3шт.

1-41

XJAF-01454

SPRING

2шт.

1-42

XJAF-01386

PLUG

1шт.

1-43

XJAF-02652

GASKET

1шт.

1-44

XJAF-01387

BOLT

1шт.

1-45

XJAF-01465

O-RING

1шт.

1-46

XJAF-01305

SPRING

1шт.

1-47

XJAF-02653

BRACKET

1шт.

1-48

XJAF-01175

BOLT-SOCKET HEAD

2шт.

1-49

XJAF-01486

BOLT-SOCKET HEAD

1шт.

1-5

XJAF-02654

VALVE-MAGNET

1шт.

1-51

XJAF-01472

O-RING

1шт.

1-52

XJAF-02655

WIRE

1шт.

1-53

XJAF-01489

NUT

1шт.

1-54

XJAF-01475

SEAL-OIL

1шт.

1-55

XJAF-01312

SPRING-PLUNGER KIT

1шт.

1-57

XJAF-01181

KEY-WOODRUFF

1шт.

1-58

XJAF-01177

NUT

1шт.

Выбрано товаров: 156