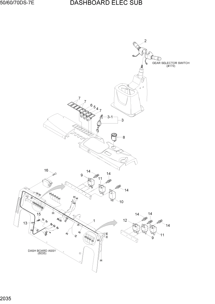
Запчасти Hyundai 50/60/70DS-7E PAGE 2035 DASHBOARD ELEC SUB ЭЛЕКТРИЧЕСКАЯ СИСТЕМА

Схема запчастей Hyundai 50/60/70DS-7E - PAGE 2035 DASHBOARD ELEC SUB ЭЛЕКТРИЧЕСКАЯ СИСТЕМА
FIT
1:1
100%

Артикул

Название

Примечание

Количество

*

20FQ-13022

DASHBOARD ELEC SUB

1шт.

1

@

HARNESS-DASHBOAD

NOT

1шт.

2

F14830000

SWITCH-COMBINATION

1шт.

3

21FJ-10051

SWITCH-START

1шт.

3-1

21FJ-10151

KEY ASSY

2шт.

4

21FQ-10220

SWITCH-AUTO

1шт.

5

21E6-30560

SWITCH-INCHING

1шт.

6

21E6-30410

SWITCH-WORK LIGHT

1шт.

7

21E6-10460

COVER

5шт.

8

21FQ-10510

GAUGE-T/M OIL TEMP

1шт.

9

21E4-0011

RELAY-4P

4шт.

10

21ER-60703

FLASHER UNIT

1шт.

11

E125-2545

RELAY-5P

2шт.

12

XJAF-01172

TIMER-GLOW

1шт.

13

S035-061526

BOLT-W/WASHER

8шт.

14

S543-240002

CLAMP-TUBE

1шт.

15

S035-081526

BOLT-W/WASHER

1шт.

16

S141-060156

SCREW-FLAT HD

2шт.

Выбрано товаров: 18