Запчасти Hyundai 50/60/70DS-7E PAGE 3090 T/M COOLING SYSTEM(DRY BRAKE) ГИДРАВЛИЧЕСКАЯ СИСТЕМА

Схема запчастей Hyundai 50/60/70DS-7E - PAGE 3090 T/M COOLING SYSTEM(DRY BRAKE) ГИДРАВЛИЧЕСКАЯ СИСТЕМА
FIT
1:1
100%

Артикул

Название

Примечание

Количество

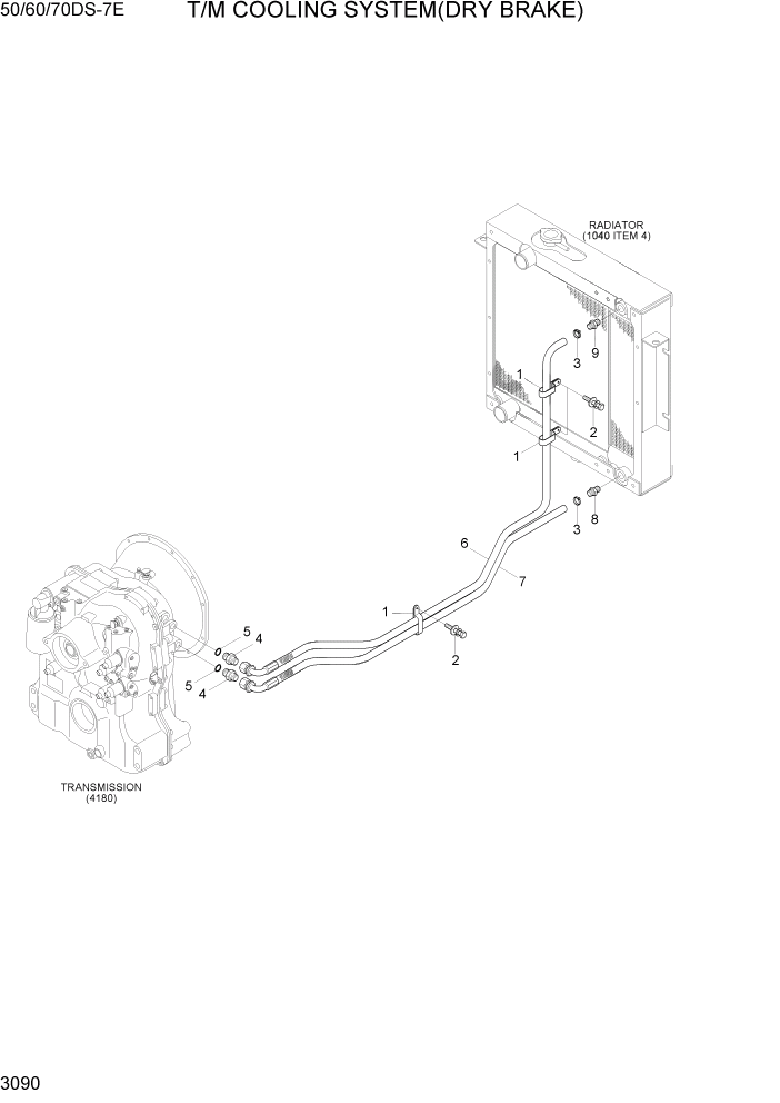
1

81FT-80110

CLAMP-HOSE,TUBE

3шт.

2

S035-061526

BOLT-W/WASHER

3шт.

3

S572-360006

CLAMP-HOSE WIRE TYPE

2шт.

4

81FQ-85141

CONNECTOR

2шт.

5

S611-019001

O-RING

2шт.

6

81FQ-85151

T/M HOSE ASSY

1шт.

7

81FQ-85200

T/M HOSE ASSY

1шт.

8

F14300400

CONNECTOR

1шт.

9

81FQ-85111

CONNECTOR

1шт.

Выбрано товаров: 9