Запчасти Hyundai 50/60/70DS-7E PAGE 6010 FRAME & TANKS СТРУКТУРА

Схема запчастей Hyundai 50/60/70DS-7E - PAGE 6010 FRAME & TANKS СТРУКТУРА
FIT
1:1
100%

Артикул

Название

Примечание

Количество

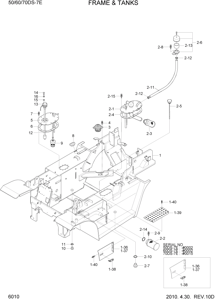
1

43FQ-00012

FRAME WA

50DS-7E #0002

1шт.

1

43FQ-00013

FRAME WA

50DS-7E #0003

1шт.

1

43FQ-00012

FRAME WA

60DS-7E #0002

1шт.

1

43FQ-00013

FRAME WA

60DS-7E #0003

1шт.

1

43FQ-00012

FRAME WA

#0015

1шт.

1

43FQ-00013

FRAME WA

70DS-7E #0016

1шт.

1-36

43FQ-00201

COVER WA-LH

1шт.

1-37

43FQ-00400

COVER WA-RH

1шт.

1-38

71LB-01220

LATCH ASSY

50DS-7E #0002

1шт.

1-38

76FQ-55650

LATCH ASSY

50DS-7E #0003

1шт.

1-38

71LB-01220

LATCH ASSY

60DS-7E #0002

1шт.

1-38

76FQ-55650

LATCH ASSY

60DS-7E #0003

2шт.

1-38

71LB-01220

LATCH ASSY

70DS-7E #0015

2шт.

1-38

76FQ-55650

LATCH ASSY

70DS-7E #0016

2шт.

1-39

43FQ-00220

COVER-STEP

2шт.

1-4

S035-081526

BOLT-W/WASHER

16шт.

2

31FQ-35000

HYD SUB ASSY

1шт.

2-1

31FQ-30051

TANK FLANGE

1шт.

2-2

F14650010

FILTER-SUCTION

1шт.

2-3

904738400

FILTER-RETURN

1шт.

2-4

31FQ-30020

GASKET

1шт.

2-5

31FQ-30060

CAP-HYD OIL

1шт.

2-6

31FV-30030

CAP-AIR BREATHER

1шт.

2-7

31FA-30430

PLUG-MAGNETIC

1шт.

2-8

S035-061526

BOLT-W/WASHER

1шт.

2-9

S035-082026

BOLT-W/WASHER

2шт.

2-1

S631-014004

O-RING

1шт.

2-11

31FF-81630

HOSE-RUBBER

1шт.

2-12

S520-027000

CLAMP-HOSE

2шт.

2-13

F23650200

FILTER-AIR BREATHER

1шт.

2-14

S632-055004

O-RING

1шт.

2-15

31HA-30041

BOLT-HEX,FLANGE

10шт.

3

F12200180

RUBBER-MOUNTING

4шт.

4

S035-082526

BOLT-W/WASHER

16шт.

5

11FQ-53012

COVER-FUEL TANK

1шт.

6

11FQ-53022

GASKET

1шт.

7

S035-082026

BOLT-W/WASHER

10шт.

8

11HA-50030

FUEL TANK CAP

1шт.

9

11FA-50900

STRAINER

1шт.

10

31FA-30430

PLUG-MAGNETIC

1шт.

11

S631-014004

O-RING

1шт.

12

21FQ-13311

FUEL SENDER

1шт.

13

E128-1053

GASKET

1шт.

14

S161-040156

SCREW-CROSS R/ROUND

5шт.

15

S403-04200B

WASHER-PLAIN

5шт.

16

S411-040006

WASHER-SPRING

5шт.

Выбрано товаров: 46