Запчасти Hyundai HDF50/HDF70-7 PAGE 4150 PRESSURE REGULATOR(OLD) СИЛОВАЯ СИСТЕМА

Схема запчастей Hyundai HDF50/HDF70-7 - PAGE 4150 PRESSURE REGULATOR(OLD) СИЛОВАЯ СИСТЕМА
FIT
1:1
100%

Артикул

Название

Примечание

Количество

*

@

TRANSMISSION

NOT #1196

1шт.

*

@

TRANSMISSION

NOT #1664

1шт.

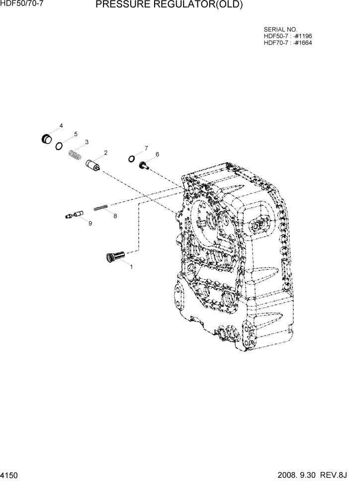
1

ZGAQ-00910

VALVE

1шт.

2

ZGAQ-01581

PISTON

1шт.

3

ZGAQ-00912

SPRING-PRESSURE

1шт.

4

ZGAQ-00254

PLUG-SCREW

1шт.

5

ZGAQ-00255

O-RING

1шт.

6

ZGAQ-00915

VALVE-PRESSURE

1шт.

7

ZGAQ-01582

RING-INDENTED

1шт.

8

ZGAQ-00903

SPRING-COMPRESSURE

1шт.

9

ZGAQ-01583

PISTON

1шт.

Выбрано товаров: 11