Запчасти Hyundai HDF50/HDF70-7S PAGE 9190 COOLING SYSTEM ДВИГАТЕЛЬ БАЗА

Схема запчастей Hyundai HDF50/HDF70-7S - PAGE 9190 COOLING SYSTEM ДВИГАТЕЛЬ БАЗА
FIT
1:1
100%

Артикул

Название

Примечание

Количество

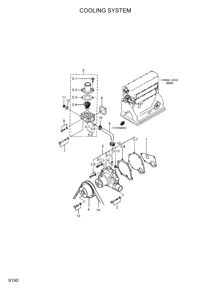
1

XJAF-00850

GASKET-WATER PUMP

1шт.

2

XJAF-00730

BOLT-W/WASHER

5шт.

3

XJAF-00851

PUMP ASSY-WATER

1шт.

3-1

XJAF-00379

BOLT-W/WASHER

2шт.

3-2

XJAF-00317

BOLT-W/WASHER

1шт.

3-7

XJAF-00852

COVER-WATER PUMP

1шт.

3-8

XJAF-00853

GASKET-PUMP COVER

1шт.

N3-10

@

PIPE-WATER PUMP

NOT

1шт.

3-11

XJAF-00854

PLUG TAPERED

1шт.

N3-14

@

CASE-WATER PUMP

NOT

1шт.

4

XJAF-00855

PULLEY-WATER PUMP

1шт.

5

XJAF-00856

THERMOSTAT ASSY

1шт.

5-1

XJAF-00857

BOLT-FLANGE

2шт.

5-2

XJAF-00858

COVER-THERMOSTAT

1шт.

5-3

XJAF-00859

GASKET-THERMOSTAT

1шт.

5-4

XJAF-00860

THERMOSTAT

1шт.

5-5

XJAF-00861

CASE ASSY-THERMOSTAT

1шт.

N5-6

@

PIPE-THERMOSTAT

NOT

1шт.

N5-7

@

CASE-THERMOSTAT

NOT

1шт.

6

XJAF-00423

GASKET

1шт.

7

XJAF-00825

BOLT-W/WASHER

1шт.

8

XJAF-00730

BOLT-W/WASHER

1шт.

9

XJAF-00862

HOSE-BY PASS

1шт.

10

XJAF-00731

CLAMP-HOSE

2шт.

11

XJAF-00418

PLUG-DRAIN

2шт.

12

XJAF-00560

GASKET

2шт.

13

XJAF-00230

BOLT-W/WASHER

4шт.

14

XJAF-00849

V-BELT

1шт.

Выбрано товаров: 28