Запчасти Hyundai HDF50/HDF70-7S PAGE 9200 FUEL SYSTEM ДВИГАТЕЛЬ БАЗА

Схема запчастей Hyundai HDF50/HDF70-7S - PAGE 9200 FUEL SYSTEM ДВИГАТЕЛЬ БАЗА
FIT
1:1
100%

Артикул

Название

Примечание

Количество

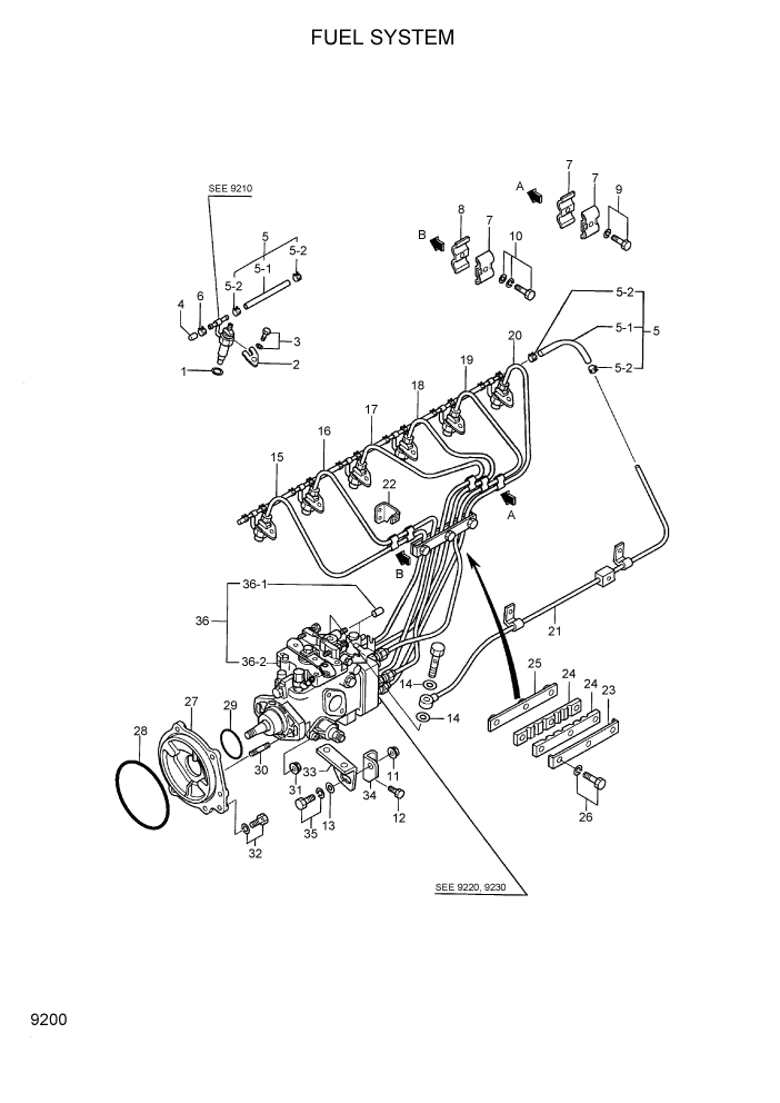
1

XJAF-00748

GASKET-NOZZLE HOLDER

6шт.

2

XJAF-00427

SUPPORT-NOZZLE

6шт.

3

XJAF-00749

BOLT-W/WASHER

6шт.

4

XJAF-00750

CAP

1шт.

5

XJAF-00751

HOSE ASSY-FUEL

6шт.

5-1

XJAF-00752

HOSE-FUEL

6шт.

5-2

XJAF-00440

CLIP-HOSE

12шт.

6

XJAF-00440

CLIP-HOSE

1шт.

7

XJAF-00759

CLAMP(A)

7шт.

8

XJAF-00760

CLAMP(B)

3шт.

9

XJAF-00761

BOLT-W/WASHER

2шт.

10

XJAF-00762

BOLT-W/WASHER

3шт.

11

XJAF-00245

NUT-FLANGE

1шт.

12

XJAF-01127

BOLT

1шт.

13

XJAF-01128

WASHER

1шт.

14

XJAF-00566

WASHER-SEALING

2шт.

15

XJAF-00863

PIPE-INJ NO.1

1шт.

16

XJAF-00864

PIPE-INJ NO.2

1шт.

17

XJAF-00865

PIPE-INJ NO.3

1шт.

18

XJAF-01153

PIPE-INJ NO.4

1шт.

19

XJAF-00867

PIPE-INJ NO.5

1шт.

20

XJAF-00868

PIPE-INJ NO.6

1шт.

21

XJAF-00869

PIPE-FUEL RETURN

1шт.

22

XJAF-00870

BRACKET-INJ PUMP

1шт.

23

XJAF-00871

CLAMP

1шт.

24

XJAF-00872

SEAT

2шт.

25

XJAF-00873

PLATE

1шт.

26

XJAF-00749

BOLT-W/WASHER

3шт.

27

XJAF-00874

FLANGE-INJ PUMP

1шт.

28

XJAF-00875

O-RING

1шт.

29

XJAF-00876

O-RING

1шт.

30

XJAF-00877

STUD

2шт.

31

XJAF-00878

NUT-FLANGE

2шт.

32

XJAF-00230

BOLT-W/WASHER

1шт.

33

XJAF-00879

BRACKET-INJ PUMP

1шт.

34

XJAF-00880

BRACKET-INJ PUMP

1шт.

35

XJAF-00637

BOLT-W/WASHER

1шт.

36

32B65-17521

PUMP ASSY-INJ

1шт.

N36-1

@

CAP-TAMPER PROOF

NOT

2шт.

N36-2

@

PUMP ASSY

NOT

1шт.

N

@

NOT INDIVIDUALLY SUPPLIED

NOT

ARшт.

Выбрано товаров: 41