Запчасти Hyundai HDF50/HDF70-7S PAGE 2040 DASHBOARD HARNESS ЭЛЕКТРИЧЕСКАЯ СИСТЕМА

Схема запчастей Hyundai HDF50/HDF70-7S - PAGE 2040 DASHBOARD HARNESS ЭЛЕКТРИЧЕСКАЯ СИСТЕМА
FIT
1:1
100%

Артикул

Название

Примечание

Количество

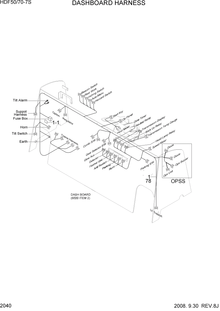
1

21FQ-10022

HARNESS-DASHBOARD

SEE 2010-3,50-7 #0001 - #0003

1шт.

1

21FQ-10023

HARNESS-DASHBOARD

SEE 2010-3,50-7 #0004

1шт.

1

21FQ-10022

HARNESS-DASHBOARD

SEE 2010-3,70-7 #0001 - #0034

1шт.

1

21FQ-10023

HARNESS-DASHBOARD

SEE 2010-3,70-7 #0035

1шт.

1-1

21FQ-10191

DECAL-FUSE BOX

1шт.

78

21FQ-15020

HARNESS-DASHBOARD

HDF50-7S,OPSS #0012 - #0114

1шт.

78

21FQ-15021

HARNESS-DASHBOARD

HDF50-7S,OPSS #0115

1шт.

78

21FQ-15020

HARNESS-DASHBOARD

HDF70-7S,OPSS #0052 - #0646

1шт.

78

21FQ-15021

HARNESS-DASHBOARD

HDF70-7S,OPSS #0647

1шт.

Выбрано товаров: 9