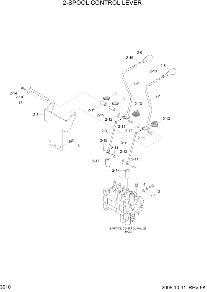
Запчасти Hyundai HDF50/HDF70-7S PAGE 3010 2-SPOOL CONTROL LEVER ГИДРАВЛИЧЕСКАЯ СИСТЕМА

Схема запчастей Hyundai HDF50/HDF70-7S - PAGE 3010 2-SPOOL CONTROL LEVER ГИДРАВЛИЧЕСКАЯ СИСТЕМА
FIT
1:1
100%

Артикул

Название

Примечание

Количество

2

31FQ-40140

LEVER SUB ASSY

HDF50-7S #0023

1шт.

2

31FQ-40140

LEVER SUB ASSY

HDF70-7S #0170

1шт.

2-1

31FQ-40012

LIFT LEVER WA

HDF50-7S #0015

1шт.

2-1

31FQ-40013

LIFT LEVER WA

HDF50-7S #0016

1шт.

2-1

31FQ-40012

LIFT LEVER WA

HDF70-7S #0088

1шт.

2-1

31FQ-40013

LIFT LEVER WA

HDF70-7S #0089

1шт.

2-2

31FQ-40022

TILT LEVER WA

HDF50-7S #0015

1шт.

2-2

31FQ-40023

TILT LEVER WA

HDF50-7S #0016

1шт.

2-2

31FQ-40022

TILT LEVER WA

HDF70-7S #0088

1шт.

2-2

31FQ-40023

TILT LEVER WA

HDF70-7S #0089

1шт.

2-5

31FG-40500

KNOB-LIFT

1шт.

2-6

31FG-40510

KNOB-TILT

1шт.

2-8

31FQ-40052

BRACKET

1шт.

2-9

31FQ-40061

ROD

2шт.

2-1

31FQ-40110

SHAFT-MCV

1шт.

2-11

S491-080252

PIN-CLEVIS

4шт.

2-12

S501-110002

PIN-SELF LOCKING

4шт.

2-13

F11100480

BELLOWS

2шт.

2-14

S035-061526

BOLT-W/WASHER

1шт.

2-15

31FQ-40100

BOSS ASSY

2шт.

2-16

S205-101006

NUT-HEX

2шт.

2-17

FAD1000110

BOOT

2шт.

3

S017-120406

BOLT-HEX

3шт.

4

31EK-11130

COUPLING-SCREW

1шт.

5

F11100450

COVER-C/LEVER

2шт.

6

S411-120006

WASHER-SPRING

3шт.

7

S403-121006

WASHER-PLAIN

3шт.

8

S035-102526

BOLT-W/WASHER

3шт.

Выбрано товаров: 28