Запчасти Hyundai 80D-7 PAGE 9020 VALVE MECHANISM ДВИГАТЕЛЬ БАЗА

Схема запчастей Hyundai 80D-7 - PAGE 9020 VALVE MECHANISM ДВИГАТЕЛЬ БАЗА
FIT
1:1
100%

Артикул

Название

Примечание

Количество

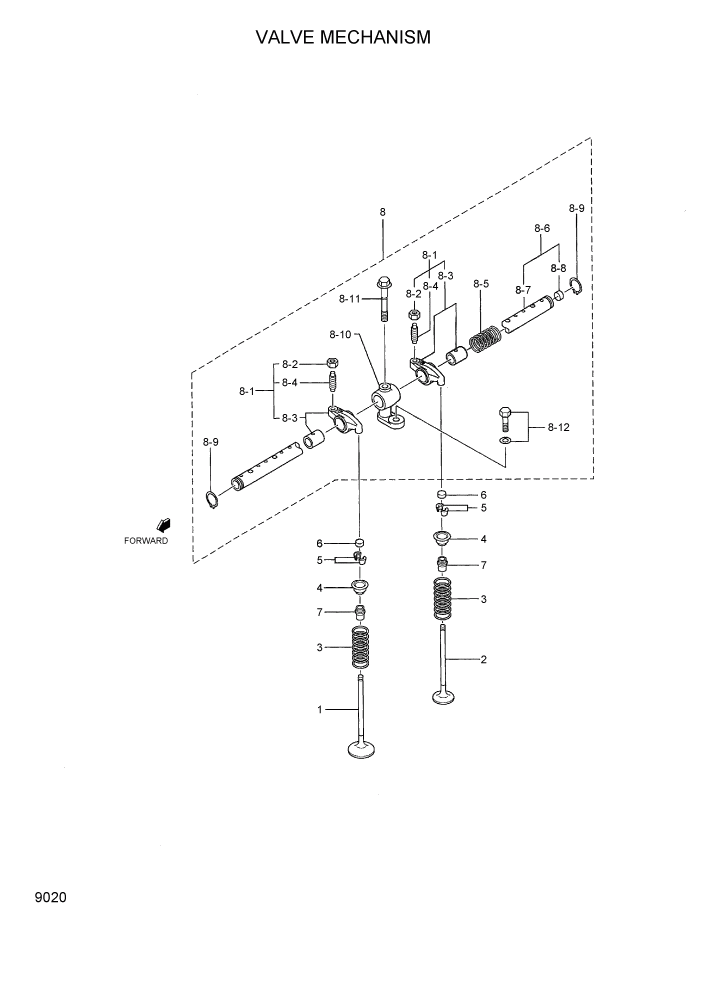
1

XJAF-01135

VALVE-INLET

6шт.

2

XJAF-01136

VALVE-EXHAUST

6шт.

3

XJAF-00580

SPRING-VALVE

12шт.

4

XJAF-00163

RETAINER-UPPER

12шт.

5

XJAF-00164

COTTER-VALVE

24шт.

6

XJAF-00166

CAP

12шт.

7

XJAF-00581

SEAL-VALVE STEM

12шт.

N8

@

ROCKER & SHAFT ASSY

NOT

1шт.

8-1

XJAF-00585

ROCKER ASSY

12шт.

8-2

XJAF-00148

NUT-JAM

12шт.

N8-3

@

ROCKER & BUSHING

NOT

12шт.

8-4

XJAF-00586

SCREW-ROCKER

12шт.

8-5

XJAF-00588

SPRING-ROCKER

5шт.

8-6

XJAF-00587

SHAFT ASSY-ROCKER

1шт.

N8-7

@

SHAFT-ROCKER

NOT

1шт.

8-8

XJAF-00188

CAP-SEALING

2шт.

8-9

XJAF-00582

RING-SNAP

2шт.

8-1

XJAF-00583

BRACKET-ROCKER SHAFT

6шт.

8-11

XJAF-00584

BOLT-ROCKER SHAFT

6шт.

8-12

XJAF-00379

BOLT-W/WASHER

6шт.

N

@

NOT INDIVIDUALLY SUPPLIED

NOT

ARшт.

Выбрано товаров: 21