Запчасти Hyundai 80D-7 PAGE 9060 MAIN BEARING ДВИГАТЕЛЬ БАЗА

Схема запчастей Hyundai 80D-7 - PAGE 9060 MAIN BEARING ДВИГАТЕЛЬ БАЗА
FIT
1:1
100%

Артикул

Название

Примечание

Количество

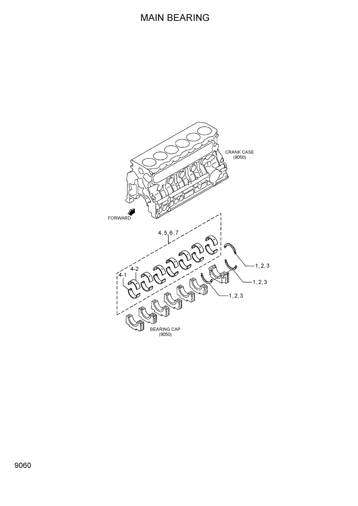
1

XJAF-00619

PLATE-THRUST

STD

3шт.

2

XJAF-00620

PLATE-THRUST

OS=0.15

3шт.

3

XJAF-00621

PLATE-THRUST

OS=0.30

3шт.

4

XJAF-00615

MAIN BEARING SET

STD

1шт.

4-1

@

MAIN BRG-LOWER

NOT

7шт.

4-2

@

MAIN BRG-UPPER

NOT

7шт.

5

XJAF-00616

MAIN BEARING SET

US=0.25

1шт.

6

XJAF-00617

MAIN BEARING SET

US=0.50

1шт.

7

XJAF-00618

MAIN BEARING SET

US=0.75

1шт.

Выбрано товаров: 9