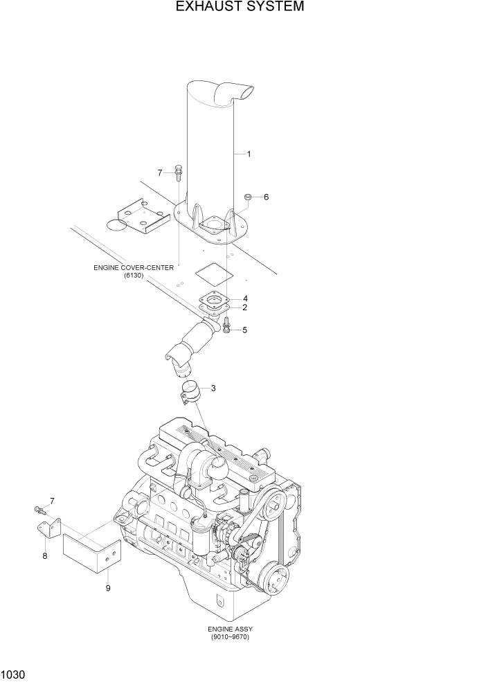
Запчасти Hyundai 100/120/130/160D-7 PAGE 1030 EXHAUST SYSTEM СИСТЕМА ДВИГАТЕЛЯ

Схема запчастей Hyundai 100/120/130/160D-7 - PAGE 1030 EXHAUST SYSTEM СИСТЕМА ДВИГАТЕЛЯ
FIT
1:1
100%

Артикул

Название

Примечание

Количество

1

11FT-40101

MUFFLER

1шт.

2

11FT-40111

BELLOWS PIPE ASSY

1шт.

3

11N6-30040

SEAL CLAMP ASSY

1шт.

4

14L3-00220

GASKET

1шт.

5

S037-103556

BOLT-W/WASHER

4шт.

6

S285-101006

NUT-FLANGED

4шт.

7

S037-123056

BOLT-W/WASHER

4шт.

8

11FT-40120

BRACKET WA

1шт.

9

11FT-40080

SCREEN-T/CHARGER

1шт.

Выбрано товаров: 9