Запчасти Hyundai 180DE PAGE 2020 ELECTRIC 2 ЭЛЕКТРИЧЕСКАЯ СИСТЕМА

Схема запчастей Hyundai 180DE - PAGE 2020 ELECTRIC 2 ЭЛЕКТРИЧЕСКАЯ СИСТЕМА
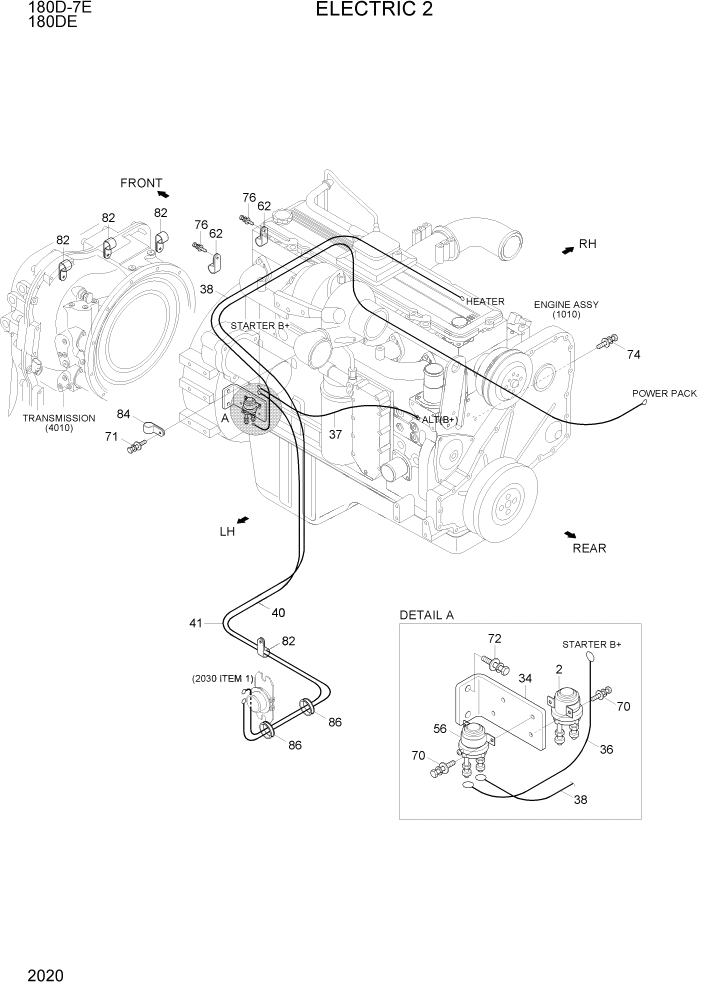
FIT
1:1
100%

Артикул

Название

Примечание

Количество

2

21F7-20090

RELAY-START

1шт.

34

21HS-11000

PLATE(START RELAY)

1шт.

36

21HS-12040

CABLE

1шт.

37

21HS-12050

CABLE

1шт.

38

21HS-12060

CABLE

1шт.

40

21HS-12121

CABLE

1шт.

41

21HS-12130

CABLE

1шт.

56

21N8-42050

RELAY-HEATER

1шт.

62

31L7-10200

CLAMP-TUBE

2шт.

70

S035-061526

BOLT-W/WASHER

4шт.

71

S035-081526

BOLT-W/WASHER

1шт.

72

S035-082026

BOLT-W/WASHER

2шт.

74

S037-102022

BOLT-W/WASHER

1шт.

76

S037-102526

BOLT-W/WASHER

2шт.

82

S543-140002

CLAMP-TUBE

4шт.

84

S543-240002

CLAMP-TUBE

1шт.

86

S791-090027

GROMMET-PLATE

2шт.

Выбрано товаров: 17