Запчасти Hyundai 180DE PAGE 3230 MAIN PUMP(FRONT PUMP)) ГИДРАВЛИЧЕСКАЯ СИСТЕМА

Схема запчастей Hyundai 180DE - PAGE 3230 MAIN PUMP(FRONT PUMP)) ГИДРАВЛИЧЕСКАЯ СИСТЕМА
FIT
1:1
100%

Артикул

Название

Примечание

Количество

N*

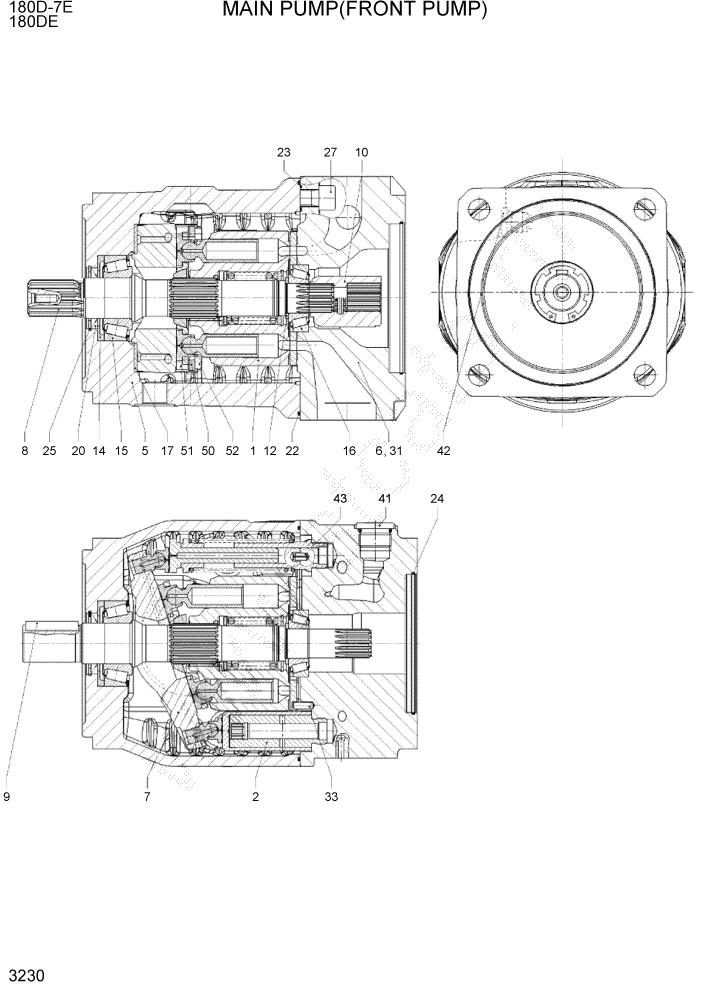
ZGBP-00237

FRONT PUMP

NOT

1шт.

1

@

ROTARY GROUP

NOT

1шт.

1-1

ZGBP-00034

CONTROL PLATE

NOT SHOWN

1шт.

2

@

ADJUSTING PIECE

NOT

1шт.

N5

@

PUMP HOUSING

NOT

1шт.

N6

@

PORT PLATE

NOT

1шт.

N7

@

SWASHPLATE

NOT

1шт.

N8

@

DRIVE SHAFT

NOT

1шт.

N9

@

KEY

NOT

1шт.

10

ZGBP-00103

SPLINED HUB

1шт.

12

ZGBP-00020

ADJUSTMENT SHIM

1шт.

N14

@

STOP RING

NOT

1шт.

15

ZGBP-00021

TAPERED R/BEARING

1шт.

16

ZGBP-00022

TAPERED R/BEARING

1шт.

17

ZGBP-00023

BEARING LINER

2шт.

20

ZGBP-00227

SHAFT SEAL RING

1шт.

22

ZGBP-00025

O-RING

1шт.

23

ZGBP-00026

O-RING

4шт.

24

ZGBP-00104

O-RING

1шт.

25

ZGBP-00028

RETAINING RING

1шт.

27

ZGBP-00029

SCREW-SOCKET HEAD

4шт.

31

ZGBP-00031

DOUBLE BREAK-OFF PIN

1шт.

33

ZGBP-00032

CYLINDER PIN

1шт.

N41

@

PLUG

NOT

1шт.

N42

@

PLUG

NOT

1шт.

N43

@

PIN

NOT

1шт.

N50

@

SEGMENT

NOT

2шт.

N51

@

SPACER SLEEVE

NOT

4шт.

N52

@

SCREW-SOCKET HEAD

NOT

4шт.

N

@

NOT SUPPLIED PARTS

NOT

ARшт.

Выбрано товаров: 30