Запчасти Hyundai HDF15/HDF18-5 PAGE 9230 ALTERNATOR(COMPONENT PART) ДВИГАТЕЛЬ БАЗА

Схема запчастей Hyundai HDF15/HDF18-5 - PAGE 9230 ALTERNATOR(COMPONENT PART) ДВИГАТЕЛЬ БАЗА
FIT
1:1
100%

Артикул

Название

Примечание

Количество

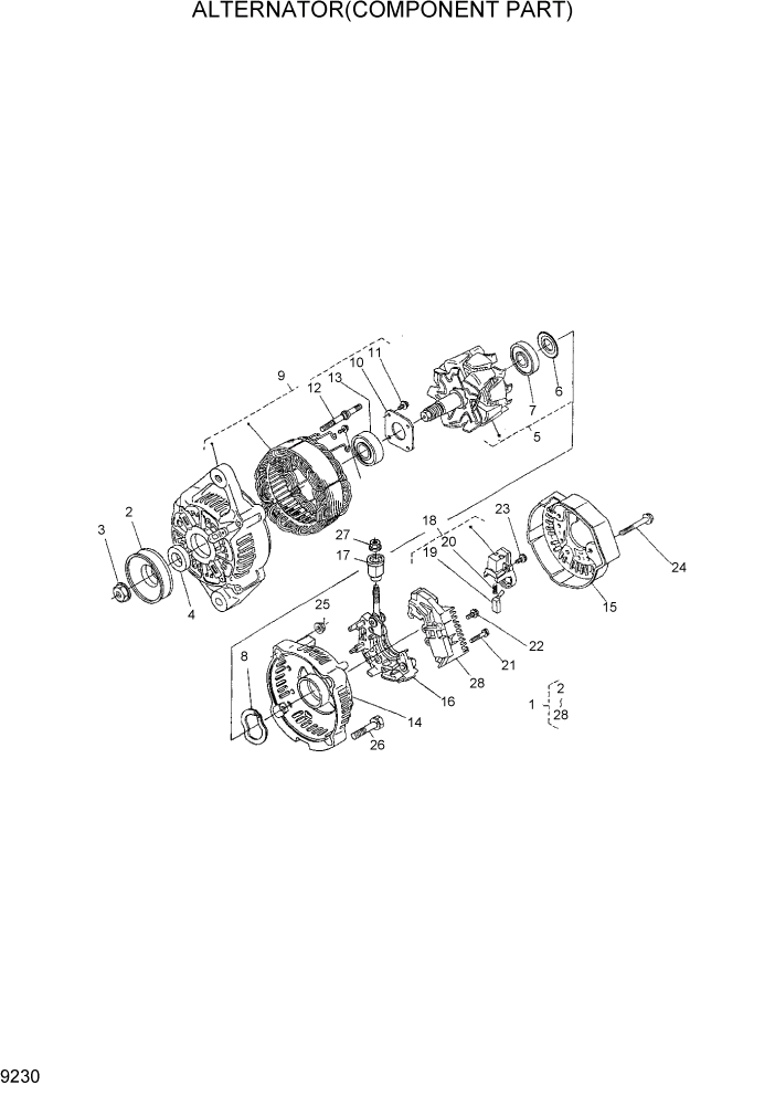
1

34070-75602

ALTERNATOR ASSY

1шт.

2

16427-6411

PULLEY-ALTERNATOR

1шт.

3

15881-9201

NUT

1шт.

4

15881-6415

COLLAR

1шт.

5

66436-6404

ROTOR

1шт.

6

15881-648

COVER-BEARING

1шт.

7

16652-6477

BEARING-BALL

1шт.

8

15881-6481

WASHER-THRUST

1шт.

9

16678-6402

FRAME ASSY-DRIVE END

1шт.

10

15881-6471

PLATE-RETAINER

1шт.

11

15881-9301

SCREW-ROUND HEAD

4шт.

12

15881-6426

BOLT-THROUGH

2шт.

13

16652-6478

BEARING-BALL

1шт.

14

15881-6406

FRAME-END

1шт.

15

16678-6423

COVER-END

1шт.

16

15881-6485

RECTIFIER ASSY

1шт.

17

15881-649

BUSH-INSULATION

1шт.

18

16652-6431

HOLDER-BRUSH

1шт.

19

15881-6409

BRUSH

2шт.

20

15881-6433

SPRING-BRUSH

2шт.

21

15881-9302

SCREW-ROUND HEAD

2шт.

22

15881-9303

SCREW-ROUND HEAD

6шт.

23

15881-9304

SCREW-ROUND HEAD

1шт.

24

15881-9104

BOLT

3шт.

25

15881-9202

NUT

2шт.

26

15881-9105

BOLT

2шт.

27

14182-9203

NUT

1шт.

28

16652-646

REGULATOR ASSY

1шт.

Выбрано товаров: 28