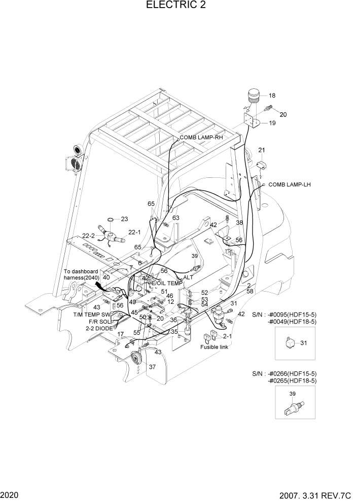
Запчасти Hyundai HDF15/HDF18-5 PAGE 2020 ELECTRIC 2 ЭЛЕКТРИЧЕСКАЯ СИСТЕМА

Схема запчастей Hyundai HDF15/HDF18-5 - PAGE 2020 ELECTRIC 2 ЭЛЕКТРИЧЕСКАЯ СИСТЕМА
FIT
1:1
100%

Артикул

Название

Примечание

Количество

2

21FJ-10011

HARNESS-FRAME

1шт.

2-1

21N4-01310

LINK-FUSIBLE(1.25)

2шт.

2-2

21EA-50550

DIODE

2шт.

6

21E3-0011

RELAY

1шт.

7

320008040

WARNING BUZZER

1шт.

12

21L8-30720

STRAP-EARTH

1шт.

17

S552-050203

CLAMP-BAND

2шт.

18

F23842010

STROBE LAMP-RED

RED

1шт.

18

21FG-10810

STROBE LAMP-AMBER

AMBER, HDF15-5 #0309

1шт.

18

21FG-10810

STROBE LAMP-AMBER

AMBER, HDF18-5 #0312

1шт.

18

21FG-10820

STROBE LAMP-BLUE

BLUE, HDF15-5 #0309

1шт.

18

21FG-10820

STROBE LAMP-BLUE

BLUE, HDF18-5 #0312

1шт.

18-1

21FG-10850

GLOBE-RED

RED,NOT SHOWN

1шт.

18-1

21FG-10860

GLOBE-AMBER

AMBER,NOT SHOWN

1шт.

18-1

21FG-10870

GLOBE-BLUE

BLUE,NOT SHOWN

1шт.

19

F12110120

BRACKET-BEACON

1шт.

20

S037-102026

BOLT-W/WASHER

2шт.

21

21FG-10040

LAMP-LICENSE(12V)

1шт.

22

F23830010

COMBINATION SW ASSY

HDF15-5 #0176

1шт.

22

F23830011

COMBINATION SW ASSY

HDF15-5 #0177

1шт.

22

F23830010

COMBINATION SW ASSY

HDF18-5 #0119

1шт.

22

F23830011

COMBINATION SW ASSY

HDF18-5 #0120

1шт.

22-1

01507500AA

GEAR SELECTOR(F/R 1)

HDF15-5 #0001 - #0176

1шт.

22-1

21FJ-10320

GEAR SELECTOR

HDF15-5 #0177

1шт.

22-1

01507500AA

GEAR SELECTOR(F/R 1)

HDF18-5 #0001 - #0119

1шт.

22-1

21FJ-10320

GEAR SELECTOR

HDF18-5 #0120

1шт.

22-2

01507600AB

T/S,LIGHT,HORN

HDF15-5 #0001 - #0176

1шт.

22-2

21FJ-10330

COMBINATION SWITCH

HDF15-5 #0177

1шт.

22-2

01507600AB

T/S,LIGHT,HORN

HDF18-5 #0001 - #0119

1шт.

22-2

21FJ-10330

COMBINATION SWITCH

HDF18-5 #0120

1шт.

23

F12140020

GROMMET

1шт.

31

21E3-0004

RELAY-START

HDF15-5 #0095

1шт.

31

21FJ-10090

RELAY-START

HDF15-5 #0096

1шт.

31

21E3-0004

RELAY-START

HDF18-5 #0049

1шт.

31

21FJ-10090

RELAY-START

HDF18-5 #0050

1шт.

35

21FJ-10310

SENDER-FUEL

1шт.

36

E128-1053

GASKET

1шт.

37

21M8-00070

HORN-HIGH

1шт.

37

21M8-00070

HORN-HIGH

1шт.

38

21FD-30310

BACK BUZZER(12V)

HDF15-5 #0374

1шт.

38

21FD-30311

BACKUP ALARM(12V)

HDF15-5 #0375

1шт.

38

21FD-30310

BACK BUZZER(12V)

HDF18-5 #0388

1шт.

38

21FD-30311

BACKUP ALARM(12V)

HDF18-5 #0389

1шт.

39

F12830060

SENSOR-WATER TEMP

HDF15-5 #0266

1шт.

39

21FJ-10510

SENSOR-WATER TEMP

HDF15-5 #0267

1шт.

39

F12830060

SENSOR-WATER TEMP

HDF18-5 #0265

1шт.

39

21FJ-10510

SENSOR-WATER TEMP

HDF18-5 #0266

1шт.

40

21FJ-10452

BRACKET-CONNECTOR

1шт.

42

S035-061526

BOLT-W/WASHER

6шт.

43

S035-081526

BOLT-W/WASHER

3шт.

45

S037-102022

BOLT-W/WASHER

1шт.

46

S018-120252

BOLT-HEX

1шт.

49

S161-050202

SCREW-RD HD

1шт.

50

S403-121002

WASHER-PLAIN

1шт.

51

S411-120002

WASHER-SPRING

1шт.

52

S161-040166

SCREW-RD HD

5шт.

53

S411-040006

WASHER-SPRING

5шт.

54

S403-042006

WASHER-PLAIN

5шт.

55

S543-240002

CLAMP-TUBE

1шт.

56

S593-000752

CLIP-HARNESS

4шт.

58

21FJ-11010

HARNESS FRAME

HDF15-5 #0228

1шт.

58

21FJ-11010

HARNESS FRAME

HDF18-5 #0228

1шт.

63

S035-061526

BOLT-W/WASHER

HDF15-5 #0228

1шт.

63

S035-061526

BOLT-W/WASHER

HDF18-5 #0228

1шт.

65

S593-000752

CLIP-HARNESS

HDF15-5 #0228

3шт.

65

S593-000752

CLIP-HARNESS

HDF18-5 #0228

3шт.

Выбрано товаров: 66