Запчасти Hyundai HDF15/HDF18-5 PAGE 3050 HYDRAULIC PIPING 3 ГИДРАВЛИЧЕСКАЯ СИСТЕМА

Схема запчастей Hyundai HDF15/HDF18-5 - PAGE 3050 HYDRAULIC PIPING 3 ГИДРАВЛИЧЕСКАЯ СИСТЕМА
FIT
1:1
100%

Артикул

Название

Примечание

Количество

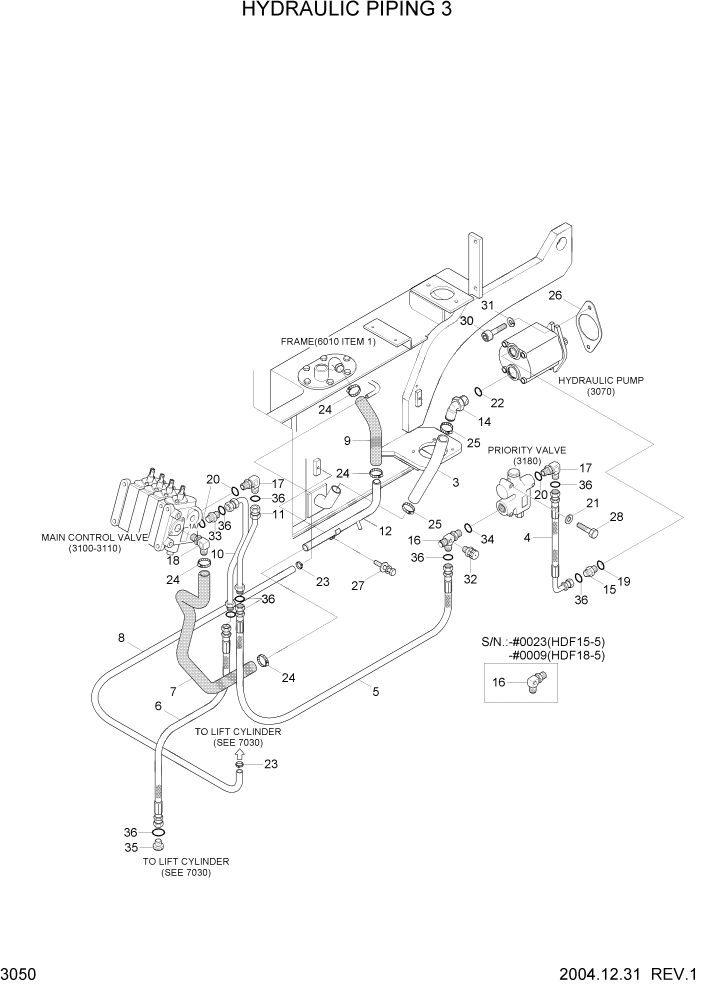
3

P760-053025

HOSE-RUBBER LOW

HDF15-5 #0022

1шт.

3

P760-053027

HOSE-RUBBER LOW

HDF15-5 #0023

1шт.

3

P760-053025

HOSE-RUBBER LOW

HDF18-5 #0008

1шт.

3

P760-053027

HOSE-RUBBER LOW

HDF18-5 #0009

1шт.

4

P930-084006

HOSE ASSY-ORFS 0X90

1шт.

5

P913-084026

HOSE ASSY-ORFS 0X0

HDF18-5 #0022

1шт.

5

P913-084025

HOSE ASSY-ORFS 0X0

HDF18-5 #0023

1шт.

5

P913-084026

HOSE ASSY-ORFS 0X0

HDF15-5 #0008

1шт.

5

P913-084025

HOSE ASSY-ORFS 0X0

HDF15-5 #0009

1шт.

6

P913-085011

HOSE ASSY-ORFS 0X0

1шт.

6

P933-085014

HOSE ASSY-ORFS 0X90

NOT USE

1шт.

7

31FJ-20060

HOSE-RETURN

1шт.

8

P760-023160

HOSE-RUBBER LOW

HDF15-5 #0022

1шт.

8

31FA-10660

HOSE

HDF15-5 #0023

1шт.

8

P760-023160

HOSE-RUBBER LOW

HDF18-5 #0008

1шт.

8

31FA-10660

HOSE

HDF18-5 #0009

1шт.

9

FHC1005800

HOSE-LP

1шт.

10

31FW-20041

PIPE WA-LIFT

1шт.

11

31FW-20031

PIPE WA-MAIN

1шт.

12

31FU-20020

PIPE WA

1шт.

14

31FD-00110

ELBOW-45

1шт.

15

X500-110003

CONNECTOR-ORFS

1шт.

16

31FW-20060

ELBOW-90

HDF15-5 #0022

1шт.

16

31NB-10600

TEE-SWIVEL, RUN TYPE

HDF15-5 #0023

1шт.

16

31FW-20060

ELBOW-90

HDF18-5 #0008

1шт.

16

31NB-10600

TEE-SWIVEL, RUN TYPE

HDF18-5 #0009

1шт.

17

31FG-20070

ELBOW-90

HDF15-5 #0022

2шт.

17

31FG-20070

ELBOW-90

HDF15-5 #0023

3шт.

17

31FG-20070

ELBOW-90

HDF18-5 #0008

2шт.

17

31FG-20070

ELBOW-90

HDF18-5 #0009

3шт.

18

31FJ-20020

ELBOW-90

1шт.

19

S631-018004

O-RING

#0001

1шт.

20

S611-019001

O-RING

#0001

2шт.

21

S411-080002

WASHER-SPRING

2шт.

22

S631-029004

O-RING

#0001

1шт.

23

S572-250006

CLAMP-HOSE WIRE TYPE

#0001

2шт.

24

S572-360002

CLAMP-HOSE WIRE TYPE

4шт.

25

S572-480006

CLAMP-HOSE WIRE TYPE

#0001

2шт.

26

31FJ-20070

GASKET

1шт.

27

S035-081522

BOLT-W/WASHER

1шт.

28

S015-080502

BOLT-HEX

2шт.

30

213310025

BOLT-SOCKET

2шт.

31

S411-100006

WASHER-SPRING

2шт.

32

F12610120

COUPLING-TEST

HDF15-5 #0022

1шт.

32

31EK-11130

COUPLING-SCREW

HDF15-5 #0023

1шт.

32

F12610120

COUPLING-TEST

HDF18-5 #0008

1шт.

32

31EK-11130

COUPLING-SCREW

HDF18-5 #0009

1шт.

33

31FG-20090

CONNECTOR

1шт.

34

S631-011004

O-RING

HDF15-5 #0023

1шт.

34

S631-011004

O-RING

HDF18-5 #0009

1шт.

35

X700-100104

PLUG-ORFS

HDF15-5 #0023

1шт.

35

X700-100104

PLUG-ORFS

HDF18-5 #0009

1шт.

36

S621-014001

O-RING,ORFS

HDF15-5 #0023

9шт.

36

S621-014001

O-RING,ORFS

HDF18-5 #0009

9шт.

Выбрано товаров: 54