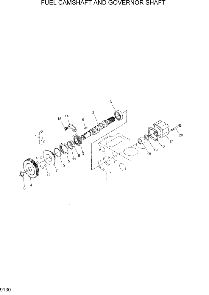
Запчасти Hyundai HDF15/HDF18-5 PAGE 9130 FUEL CAMSHAFT AND GOVERNOR SHAFT ДВИГАТЕЛЬ БАЗА

Схема запчастей Hyundai HDF15/HDF18-5 - PAGE 9130 FUEL CAMSHAFT AND GOVERNOR SHAFT ДВИГАТЕЛЬ БАЗА
FIT
1:1
100%

Артикул

Название

Примечание

Количество

1

19077-1602

CAMSHAFT ASSY-FUEL

1шт.

2

19077-1617

CAMSHAFT-FUEL

1шт.

3

8153-06205

BEARING-BALL

1шт.

4

16415-5115

GEAR-INJECTION PUMP

1шт.

5

5712-00525

KEY FEATHER

1шт.

6

4612-0024

CIR-CLIP EXTERNAL

1шт.

7

15611-5545

SLEEVE-GOVERNOR

1шт.

8

15221-5547

CIRCLIP-GOV SLEEVE

1шт.

9

15611-5569

CASE-GOVERNOR BALL

1шт.

10

7715-03205

BALL

39шт.

11

15221-5574

CIRCLIP

1шт.

12

7715-00403

BALL

7шт.

13

8240-00001

BEARING-BALL

1шт.

14

15221-1632

STOPPER-FUEL C/SHAFT

1шт.

15

1123-60814

BOLT

2шт.

16

1A051-16220

GASKET

1шт.

17

17183-1621

COVER-FUEL CAMSHAFT

1шт.

18

19222-1619

COLLAR

1шт.

19

15471-9536

CIRCLIP-EXTERNAL

1шт.

20

1123-50865

BOLT

4шт.

Выбрано товаров: 20