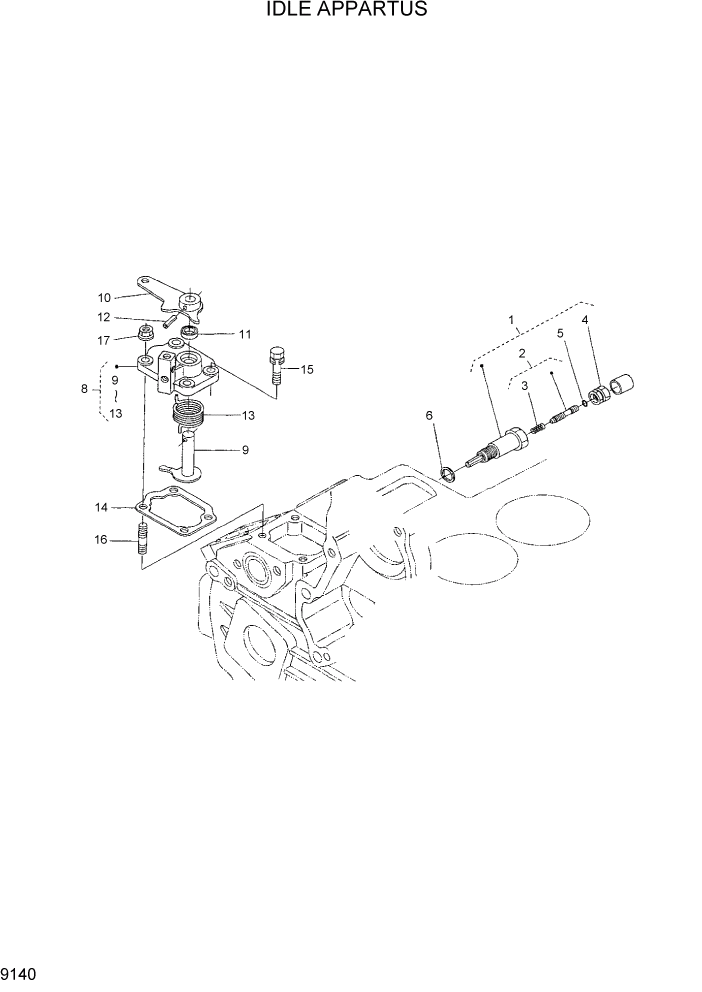
Запчасти Hyundai HDF15/HDF18-5 PAGE 9140 IDLE APPARATUS ДВИГАТЕЛЬ БАЗА

Схема запчастей Hyundai HDF15/HDF18-5 - PAGE 9140 IDLE APPARATUS ДВИГАТЕЛЬ БАЗА
FIT
1:1
100%

Артикул

Название

Примечание

Количество

1

1A021-54160

APPARATUS-IDLING

1шт.

2

1G911-54100

BOLT-ADJUST

1шт.

3

15521-5426

SPRING

1шт.

4

1G911-92010

NUT-SPRING

1шт.

5

4814-0006

O-RING

1шт.

6

4724-0014

GASKET

1шт.

8

1A021-57700

LEVER-ENG STOP

1шт.

9

1A021-57710

STOP LEVER COMP

1шт.

10

1A021-57720

LEVER-ENGINE STOP

1шт.

11

15471-5798

SEAL-OIL

1шт.

12

5411-0042

PIN SPRING

1шт.

13

1A021-57920

SPRING-RETURN

1шт.

14

1A021-57210

GASKET-PLATE

1шт.

15

1023-5062

BOLT

2шт.

16

15221-8821

STUD

2шт.

17

2751-5006

NUT-FLANGE

2шт.

Выбрано товаров: 16