Запчасти Hyundai HDF15/HDF18-5 PAGE 9160 INJECTION PUMP ДВИГАТЕЛЬ БАЗА

Схема запчастей Hyundai HDF15/HDF18-5 - PAGE 9160 INJECTION PUMP ДВИГАТЕЛЬ БАЗА
FIT
1:1
100%

Артикул

Название

Примечание

Количество

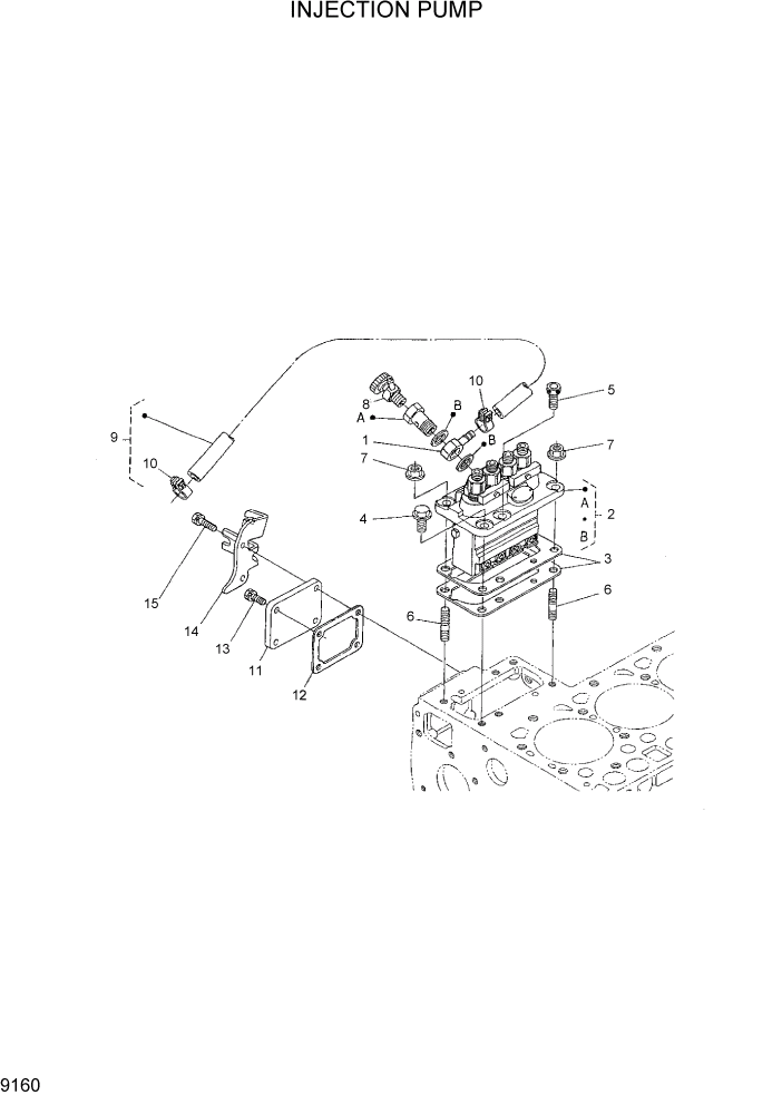
1

15401-9569

JOINT-EYE

1шт.

2

1G762-51010

INJECTION PUMP ASSY

1шт.

3

19077-5209

SHIM-INJ PUMP(0.20T)

1шт.

3

19077-5211

SHIM-INJ PUMP(0.25T)

1шт.

3

19077-5212

SHIM-INJ PUMP(0.30T)

1шт.

4

1754-5082

BOLT-FLANGE

3шт.

5

1311-1082

BOLT-HEX SOC

1шт.

6

15221-9153

STUD

2шт.

7

2751-5008

NUT-FLANGE

2шт.

8

14311-60504

COCK ASSY-JET START

1шт.

9

14681-4201

FUEL PIPE ASSY

1шт.

10

14301-4275

CLIP-PIPE

2шт.

11

1A053-51650

COVER-INJ PUMP

1шт.

12

1A021-51660

GASKET-PUMP COVER

1шт.

13

1023-50616

BOLT

2шт.

14

1A053-57480

BRACKET-ACC.CABLE

1шт.

15

1023-5062

BOLT

2шт.

Выбрано товаров: 17