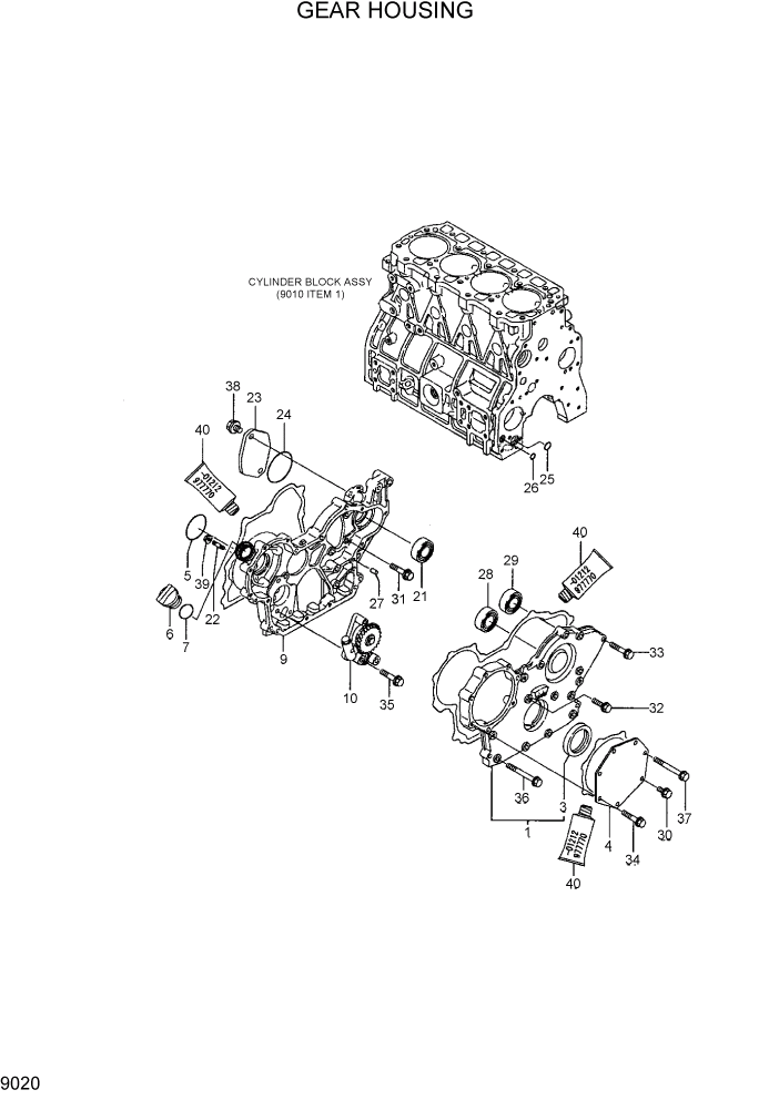
Запчасти Hyundai HDF20/HDF25/HDF30-5 PAGE 9020 GEAR HOUSING ДВИГАТЕЛЬ БАЗА

Схема запчастей Hyundai HDF20/HDF25/HDF30-5 - PAGE 9020 GEAR HOUSING ДВИГАТЕЛЬ БАЗА
FIT
1:1
100%

Артикул

Название

Примечание

Количество

1

729900-015

COVER ASSY-GEAR CASE

1шт.

3

129900-0178

SEAL-OIL

1шт.

4

129951-0174

COVER-FUEL INJ PUMP

1шт.

5

24341-0005

O-RING

1шт.

6

124160-01751

CAP-LUB OIL SUPPLY

1шт.

7

24311-00032

O-RING

1шт.

9

129970-015

HOUSING-GEAR

1шт.

10

129900-32001

PUMP ASSY-LUB OIL

1шт.

21

129900-2625

BALL BEARING

1шт.

22

26226-080302

BOLT-STUD

3шт.

23

121023-2607

COVER-HO-P

1шт.

24

24321-00085

O-RING

1шт.

25

129900-3203

O-RING , P20

1шт.

26

129900-3204

O-RING

1шт.

27

129100-0158

PARALLEL PIN 8X16

4шт.

28

129900-1414

BEARING #6205

1шт.

29

129900-2625

BALL BEARING

1шт.

30

26106-080162

BOLT-PLATED

1шт.

31

26106-080202

BOLT-PLATED

3шт.

32

26106-080302

BOLT-PLATED

1шт.

33

26106-080402

BOLT-PLATED

5шт.

34

26106-080402

BOLT-PLATED

5шт.

35

26106-080452

BOLT-PLATED

3шт.

36

129001-9181

BOLT-PLATED

6шт.

37

129001-9181

BOLT-PLATED

1шт.

38

26106-100122

BOLT-PLATED

2шт.

39

26306-080002

NUT(NUT, 8)

3шт.

40

977770-01212

GASKET-LIQUID

1шт.

Выбрано товаров: 28