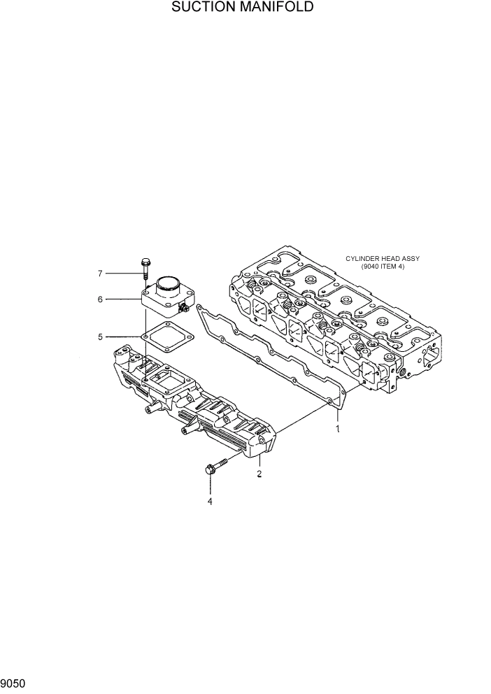
Запчасти Hyundai HDF20/HDF25/HDF30-5 PAGE 9050 SUCTION MANIFOLD ДВИГАТЕЛЬ БАЗА

Схема запчастей Hyundai HDF20/HDF25/HDF30-5 - PAGE 9050 SUCTION MANIFOLD ДВИГАТЕЛЬ БАЗА
FIT
1:1
100%

Артикул

Название

Примечание

Количество

1

129900-1205

GASKET-SUC MANIFOLD

1шт.

2

129900-121

MANIFOLD-INT

1шт.

4

26106-080452

BOLT-PLATED

9шт.

5

121850-77021

GASKET

1шт.

6

129915-7705

HEATER-AIR

1шт.

7

26106-080352

BOLT-PLATEDD

4шт.

Выбрано товаров: 6