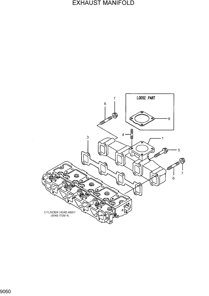
Запчасти Hyundai HDF20/HDF25/HDF30-5 PAGE 9060 EXHAUST MANIFOLD ДВИГАТЕЛЬ БАЗА

Схема запчастей Hyundai HDF20/HDF25/HDF30-5 - PAGE 9060 EXHAUST MANIFOLD ДВИГАТЕЛЬ БАЗА
FIT
1:1
100%

Артикул

Название

Примечание

Количество

1

129900-132

MANIFOLD-EXHAUST

1шт.

3

129900-13251

GASKET

1шт.

4

119131-1832

BOLT

4шт.

5

123900-1363

BOLT

6шт.

6

123900-1361

BOLT-STUD

2шт.

7

26306-080002

NUT(NUT, 8)

2шт.

8

129930-132

GASKET-SILENCER

1шт.

Выбрано товаров: 7