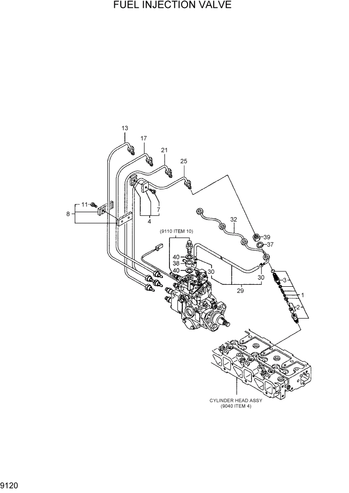
Запчасти Hyundai HDF20/HDF25/HDF30-5 PAGE 9120 FUEL INJECTION VALVE ДВИГАТЕЛЬ БАЗА

Схема запчастей Hyundai HDF20/HDF25/HDF30-5 - PAGE 9120 FUEL INJECTION VALVE ДВИГАТЕЛЬ БАЗА
FIT
1:1
100%

Артикул

Название

Примечание

Количество

1

129901-53001

VALVE-FUEL

4шт.

2

129901-5301

VALVE-FUEL

4шт.

3

129901-5302

RETAINER

4шт.

4

119305-5912

RETAINER

2шт.

7

129150-59131

BOLT-HEX,SOCKET

2шт.

8

129550-5912

RETAINER

1шт.

11

129150-59131

BOLT-HEX,SOCKET

2шт.

13

129901-5981

PIPE

NO 1

1шт.

17

129901-5982

PIPE

NO 2

1шт.

21

129901-5983

PIPE

NO 3

1шт.

25

129901-5984

PIPE

NO 4

1шт.

29

105225-595

PIPE

1шт.

30

124066-591

CLAMP

2шт.

32

129901-5951

PIPE-FUEL RETURN

1шт.

37

129901-5956

GASKET-RETURN

4шт.

38

129901-5958

JOINT-PIPE

1шт.

39

119620-597

NUT

4шт.

40

22190-120002

WASHER-SEAL

2шт.

Выбрано товаров: 18