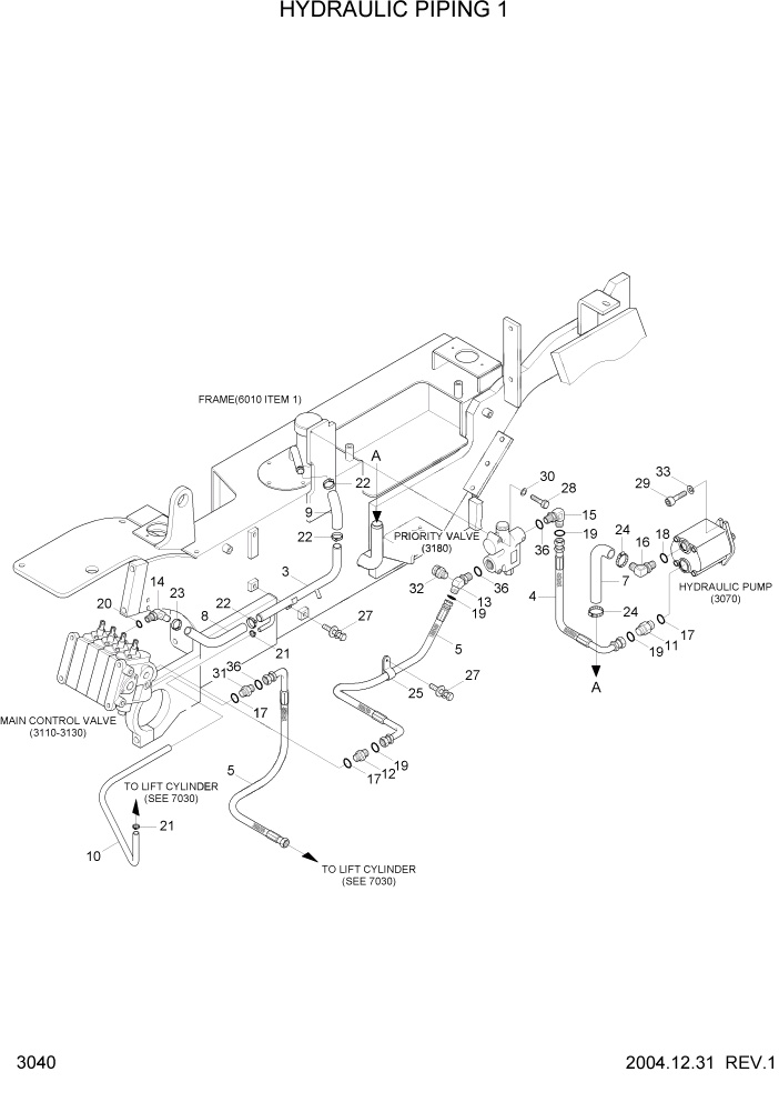
Запчасти Hyundai HDF20/HDF25/HDF30-5 PAGE 3040 HYDRAULIC PIPING 1 ГИДРАВЛИЧЕСКАЯ СИСТЕМА

Схема запчастей Hyundai HDF20/HDF25/HDF30-5 - PAGE 3040 HYDRAULIC PIPING 1 ГИДРАВЛИЧЕСКАЯ СИСТЕМА
FIT
1:1
100%

Артикул

Название

Примечание

Количество

3

31FG-20120

PIPE WA

#0001

1шт.

4

P930-084006

HOSE ASSY-ORFS 0X90

1шт.

5

P933-085014

HOSE ASSY-ORFS 0X90

2шт.

7

31FG-20020

HOSE-SUCTION

1шт.

8

31FG-20130

HOSE-LP

#0001

1шт.

9

FHC1005800

HOSE-LP

1шт.

10

31FA-10660

HOSE

#0001

1шт.

11

X511-108535

CONNECTOR-LONG,ORFS

#0001

1шт.

12

31FG-20060

CONNECTOR

1шт.

13

31FG-20080

ELBOW-45

1шт.

14

31FG-30130

FITTING

#0001

1шт.

15

31FG-20070

ELBOW-90

1шт.

16

31FG-20100

ELBOW-90

1шт.

17

S631-018004

O-RING

#0001

3шт.

18

S631-029004

O-RING

1шт.

19

S621-014001

O-RING,ORFS

#0001

3шт.

20

S611-023001

O-RING

1шт.

21

S572-240002

CLAMP-HOSE WIRE TYPE

2шт.

22

S572-360002

CLAMP-HOSE WIRE TYPE

3шт.

23

S572-380002

CLAMP-HOSE WIRE TYPE

1шт.

24

S572-450006

CLAMP-HOSE

2шт.

25

S543-240002

CLAMP-TUBE

1шт.

27

S033-081526

BOLT-W/WASHER HEX

2шт.

28

S015-080552

BOLT-HEX

2шт.

29

S109-100356

BOLT-SOCKET

2шт.

30

S411-080002

WASHER-SPRING

2шт.

31

31FG-20110

CONNECTOR

1шт.

32

F12610120

COUPLING-TEST

1шт.

33

S411-100002

WASHER-SPRING

2шт.

36

S611-019001

O-RING

#0001

3шт.

Выбрано товаров: 30