Запчасти Hyundai HDF20/HDF25/HDF30-5 PAGE 4070 WHEEL BRAKE ASSY(DRY) СИЛОВАЯ СИСТЕМА

Схема запчастей Hyundai HDF20/HDF25/HDF30-5 - PAGE 4070 WHEEL BRAKE ASSY(DRY) СИЛОВАЯ СИСТЕМА
FIT
1:1
100%

Артикул

Название

Примечание

Количество

*

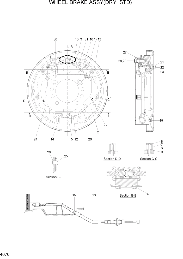
F12310042

WHEEL BRAKE ASSY-LH

1шт.

*

F12310052

WHEEL BRAKE ASSY-RH

1шт.

1

BD120-004-01

BACK PLATE ASSY-LH

1шт.

1

BD120-004-02

BACK PLATE ASSY-RH

1шт.

2

BD331-044-02

LIND SHOE ASSY

2шт.

3

BD210-016-01

WHEEL CYLINDER ASSY

1шт.

4

3BD-4699

BOLT-SET

2шт.

5

BD410-007-01

ADJUSTER ASSY-LH

1шт.

5

BD410-007-02

ADJUSTER ASSY-RH

1шт.

6

BD587-007-01

PIN-S/HOLE DOWN

4шт.

7

3BD-4660

SPRING

4шт.

8

3BD-4681

WASHER

7шт.

9

BD518-001-01

BUSH

1шт.

10

BD579-003-01

PLATE-SHOE GUIDE

1шт.

11

BD515-001-01

LEVER-LH,ACTUATOR

1шт.

11

BD516-001-01

LEVER-RH,ACTUATOR

1шт.

12

BD512-004-01

LEVER-LH,PAWL

1шт.

12

BD513-004-01

LEVER-RH,PAWL

1шт.

13

BD517-002-01

STOPPER

1шт.

14

BD556-002-01

SPRING-SHOE ADJ/END

1шт.

15

BD339-004-02

RING-RETAINING

1шт.

16

BD442-004-01

STRUT

1шт.

17

BD448-001-01

SPRING-STRUT

1шт.

18

BD190-002-01

CABLE ASSY-PARKING,LH

1шт.

18

BD190-002-02

CABLE ASSY-PARKING,RH

1шт.

19

2BD-2865

PLUG

4шт.

20

BD558-001-01

SPRING-LEVER PAWL

1шт.

21

3BC-4663

SCREW-BLEED

1шт.

22

4BC-5865

CAP-BLEED SCREW

1шт.

23

2BE-0052

PLUG-PROTECT

1шт.

24

BD336-006-01

LEVER-LH/PARKING

1шт.

24

BD336-006-02

LEVER-RH/PARING

1шт.

25

BD338-006-01

PIN-LEVER

1шт.

26

BD339-004-01

RING-RETAINING

1шт.

27

BD519-002-01

SLEEVE-ANCHOR

1шт.

28

DM107-001-01

BOLT

1шт.

29

4BD-5941

WASHER-SPRING

1шт.

30

BD562-012-00

SPRING-A/SHOE R

1шт.

31

BD563-012-00

SPRING-B/SHOE R

1шт.

Выбрано товаров: 39