Запчасти Hyundai HDF35/HDF45-3 PAGE 9180 EXHAUST MANIFOLD ДВИГАТЕЛЬ БАЗА

Схема запчастей Hyundai HDF35/HDF45-3 - PAGE 9180 EXHAUST MANIFOLD ДВИГАТЕЛЬ БАЗА
FIT
1:1
100%

Артикул

Название

Примечание

Количество

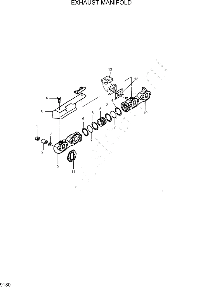
1

10225-10004

NUT-SELF LOCK

8шт.

2

28512-72

PIECE-DISTANCE

8шт.

3

28546-72

WASHER-PLAIN

8шт.

4

28512-83

BOLT

6шт.

*

28530-45

JOINT ASSY-EAHAUST

1шт.

5

28514-45

JOINT-EXHAUST

1шт.

6

28518-45

RING-SEAL

4шт.

7

28516-45

RING-EXPANSION

2шт.

8

28517-45

INSULATOR-EX-MANI,HEAT

1шт.

9

28520-45001

MANIFOLD-EXHAUST,FR

1шт.

10

28510-45

MANIFOLD-EXHAUST,RR

1шт.

11

28513-41

GASKET-EXH MANI

4шт.

12

28251-45

GASKET-EXH MANI,T/C

1шт.

13

28530-45G00

FITTING-EXH MANI

1шт.

Выбрано товаров: 14