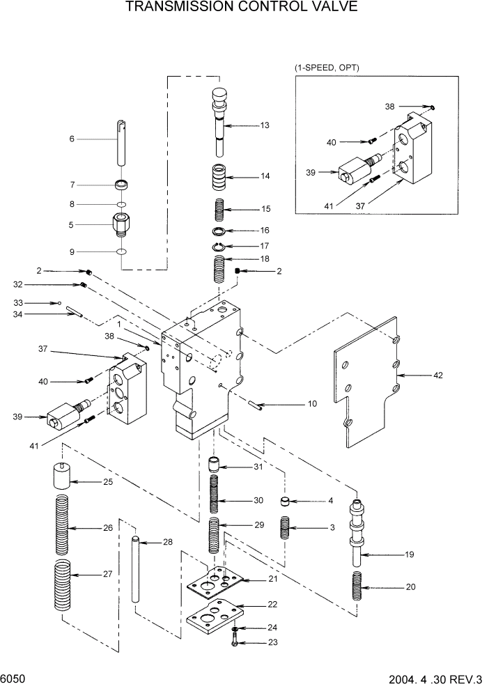
Запчасти Hyundai HDF35/HDF45-3 PAGE 6050 TRANSMISSION CONTROL VALVE СИЛОВАЯ СИСТЕМА

Схема запчастей Hyundai HDF35/HDF45-3 - PAGE 6050 TRANSMISSION CONTROL VALVE СИЛОВАЯ СИСТЕМА
FIT
1:1
100%

Артикул

Название

Примечание

Количество

*

81F6-30801

CONTROL VALVE ASSY

2-SPEED

1шт.

*

81F6-30901

CONTROL VALVE ASSY

1-SPEED

1шт.

*-1

81F6-32601

CONTROL VALVE

1шт.

N1

81F6-32610

CONTROL VALVE BODY

NOT #0001

1шт.

2

P220-430201

PLUG

3шт.

3

81F6-30721

SPRING

1шт.

N4

81F6-30730

PISTON

NOT #0001

1шт.

K5

81F6-32640

CAP

#0001

1шт.

K6

81F6-32700

PISTON

#0001

1шт.

K7

81F6-32630

SEAL-DUST

#0001

1шт.

K8

S631-015001

O-RING

#0001

1шт.

K9

S631-024004

O-RING

#0001

1шт.

N10

81F6-32300

PIN

NOT #0001

1шт.

N13

81F6-32620

SPOOL-INCHING

NOT #0001

1шт.

N14

81F6-30440

PISTON

NOT #0001

1шт.

15

81F6-30450

SPRING

1шт.

16

81F6-30460

WASHER

1шт.

17

S601-010004

RING-RETAINING

1шт.

18

81F6-32650

SPRING

1шт.

N19

81F6-30490

SPOOL

NOT

1шт.

20

81F6-30501

SPRING

1шт.

21

81F6-30510

GASKET

1шт.

22

81F6-30520

COVER

1шт.

23

S015-080252

BOLT-HEX

4шт.

24

S411-080002

WASHER-SPRING

4шт.

N25

81F6-30870

PISTON

NOT #0001

1шт.

26

81F6-30561

SPRING

1шт.

27

81F6-30570

SPRING

1шт.

28

81F6-30580

STOPPER

1шт.

29

81F6-30590

SPRING

1шт.

30

81F6-30600

SPRING

1шт.

N31

81F6-30610

PISTON

NOT #0001

1шт.

N32

81F6-30620

ORIFICE

NOT #0001

1шт.

N33

81F6-30630

BALL

NOT #0001

1шт.

N34

81F6-31320

PIN

NOT #0001

1шт.

*-2

81F6-30810

ELECTRO VALVE

2-SPEED

1шт.

*-2

81F6-30910

ELECTRO VALVE

1-SPEED

1шт.

37

81F6-30820

BLOCK

2-SPEED

1шт.

37

81F6-30930

BLOCK

1-SPEED

1шт.

38

S631-006001

O-RING

2шт.

39

81F6-30830

SOLENOID VALVE

2-SPEED

3шт.

39

81F6-30830

SOLENOID VALVE

1-SPEED

2шт.

40

S015-080302

BOLT-HEX

2шт.

41

S015-080652

BOLT-HEX

2шт.

42

905080600

GASKET

#0001

1шт.

K

81F6-31410

INCHING KIT

#0001

1шт.

N

@

NOT INDIVIDUALLY SUPPLIED

NOT

ARшт.

Выбрано товаров: 47