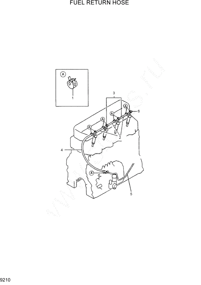
Запчасти Hyundai HDF50/HDF70-3 PAGE 9210 FUEL RETURN HOSE ДВИГАТЕЛЬ БАЗА

Схема запчастей Hyundai HDF50/HDF70-3 - PAGE 9210 FUEL RETURN HOSE ДВИГАТЕЛЬ БАЗА
FIT
1:1
100%

Артикул

Название

Примечание

Количество

1

14720-12006

CLAMP-HOSE

9шт.

2

17911-06013

HOSE

3шт.

3

31615-41

PIPE-FUEL LEAK OFF

3шт.

4

31616-45

PIPE-FUEL RETURN A

1шт.

5

31617-41C01

PIPE-OVER FLOW

1шт.

6

31640-41

CAP

1шт.

Выбрано товаров: 6