Запчасти Hyundai HDF50/HDF70-3 PAGE 6050 GEAR BOX HOUSING СИЛОВАЯ СИСТЕМА

Схема запчастей Hyundai HDF50/HDF70-3 - PAGE 6050 GEAR BOX HOUSING СИЛОВАЯ СИСТЕМА
FIT
1:1
100%

Артикул

Название

Примечание

Количество

*

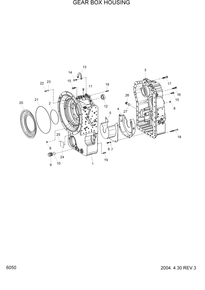
4651-101-006

GEAR BOX HOUSING

#0001

1шт.

1

4651-301-034

HOUSING

1шт.

2

0634-303-928

O-RING

1шт.

3

4651-301-013

HOUSING

1шт.

4

4651-301-015

SHAFT-SCREEN

1шт.

5

4651-301-035

SHEET-SCREEN

1шт.

6

0636-101-415

SCREW-CAP

4шт.

7

463792

WASHER

4шт.

8

0630-361-028

CAP-SEALING

5шт.

9

0636-304-032

PLUG-SCREW

1шт.

10

0634-303-312

O-RING

1шт.

11

0750-131-027

BREATHER

1шт.

12

0630-361-063

CAP-SEALING

1шт.

13

4645-301-027

BRACKET

1шт.

14

0636-010-174

SCREW

2шт.

15

0636-015-304

SCREW

25шт.

16

0636-015-130

SCREW

1шт.

17

0636-010-172

SCREW

3шт.

18

0636-010-186

SCREW

2шт.

19

0631-306-755

PIN-CYLINDRICAL

2шт.

20

4651-301-005

SHEET-COVER

1шт.

21

0634-303-320

O-RING

1шт.

22

0636-015-077

SCREW

8шт.

23

463845

WASHER

8шт.

24

0730-365-067

PLATE

1шт.

25

0631-311-009

STUD-GROOVED

4шт.

26

0636-302-014

PLUG-SCREW

1шт.

27

0634-306-524

O-RING

1шт.

Выбрано товаров: 0